| *88501 | SCREW, CR PAN HD SEMS, 8-32BP X 1.00 |
| *88500 | WCI 316085500 |
| *88499 | WCI 316065301 |
| *88505 | 131243700 Frigidaire Screw |
| *88503 | WCI 5303280311 |
| *88506 | WCI 218490900 |
| *88502 | 5303271648 Frigidaire Oven Screw |
| *88504 | 5303285179 Frigidaire Oven Door Screw |
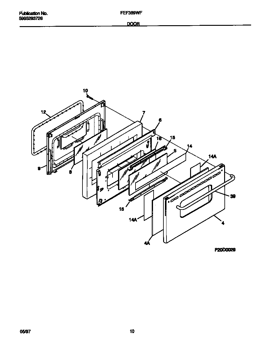
| 4 | WCI 316083900 |
| 4 | WCI 316079300 |
| 5 | WCI 316088601 |
| 6 | WCI 316088405 |
| 7 | WCI 316076400 |
| 8 | WCI 316088701 |
| 9 | WCI 316066610 |
| 10 | WCI 316001006 |
| 12 | 5303131601 Frigidaire Oven Seal |
| 14 | 5303208655 Frigidaire Reflector Assembly |
| 14 | ALUM FOIL-B/G GLASS |
| 15 | WCI 316081401 |
| 16 | WCI 316085700 |
| 39B | WASHER, HANDLE, (2) (NOT ILLUSTRATED) |
| 39A | WCI 316079500 |