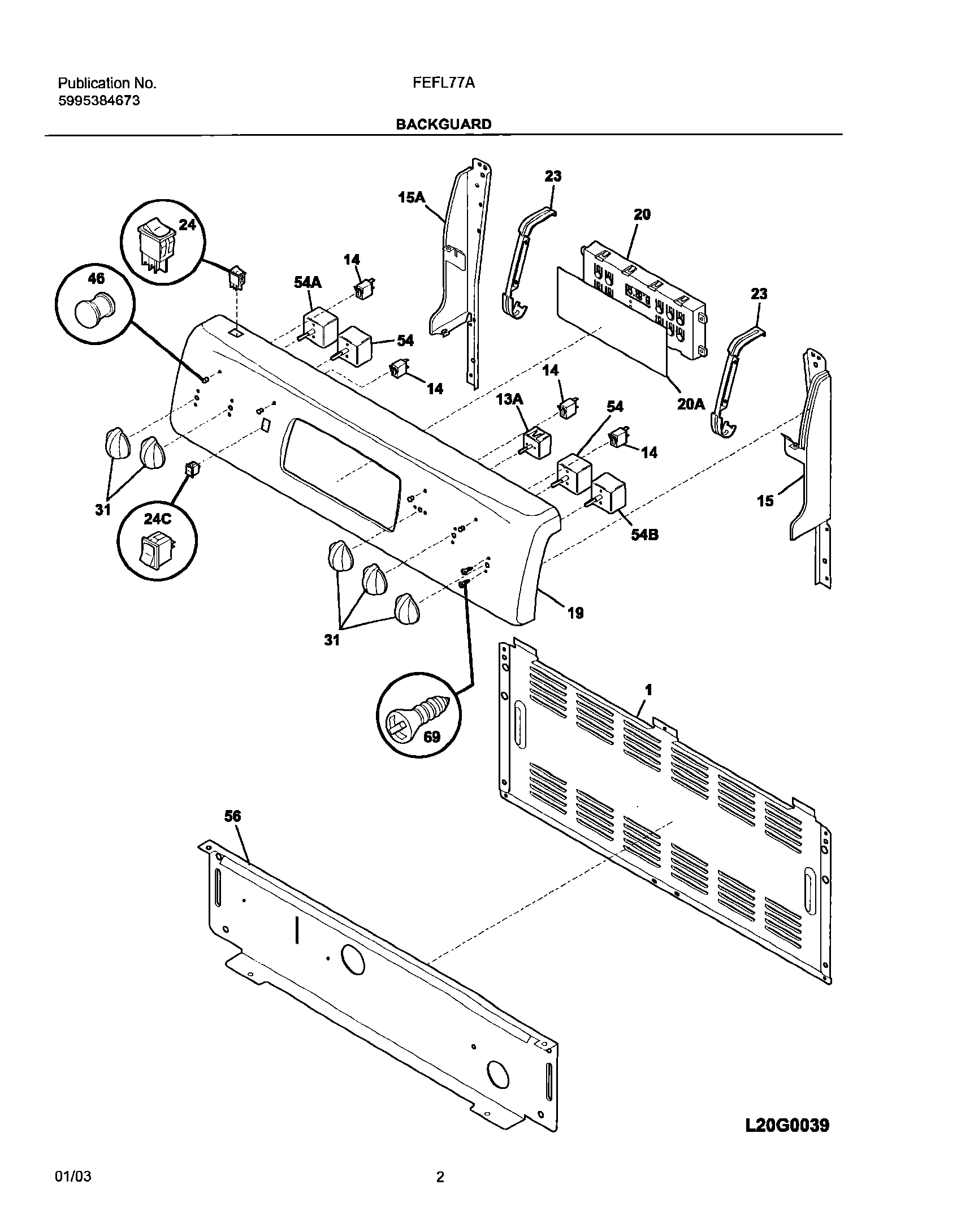
| NI | 316021109 Frigidaire Oven Screw |
| NI | Screw,cup pt ,8-18 x 0.375 ,chrome |
| 1 | WCI 316239900 |
| 13A | 5304508926 Frigidaire Oven Temperature Control Switch |
| 14 | 316022500 Frigidaire Oven Warmer Drawer Zone Indicator Light Lamp |
| 15A | WCI 316220215 |
| 15 | WCI 316220214 |
| 19 | WCI 316232610 |
| 20 | WCI 316207507 |
| 20A | 316220804 Frigidaire Oven Overlay |
| 23 | WCI 316220900 |
| 24C | 316259800 Frigidaire Switch-Rocker |
| 24 | 5304527842 Frigidaire Rocker Switch |
| 31 | 316223000 Frigidaire Burner Knob |
| 46 | 318228310 Frigidaire Oven Lens |
| 54 | 5303935086 Frigidaire Oven Top Burner Switch Kit |
| 54A | 316436001 Frigidaire Oven Range Infinite Burner Switch |
| 54B | 316238201 Frigidaire Oven Switch |
| 56 | WCI 316234001 |
| 69 | 5303288565 Frigidaire Screw |