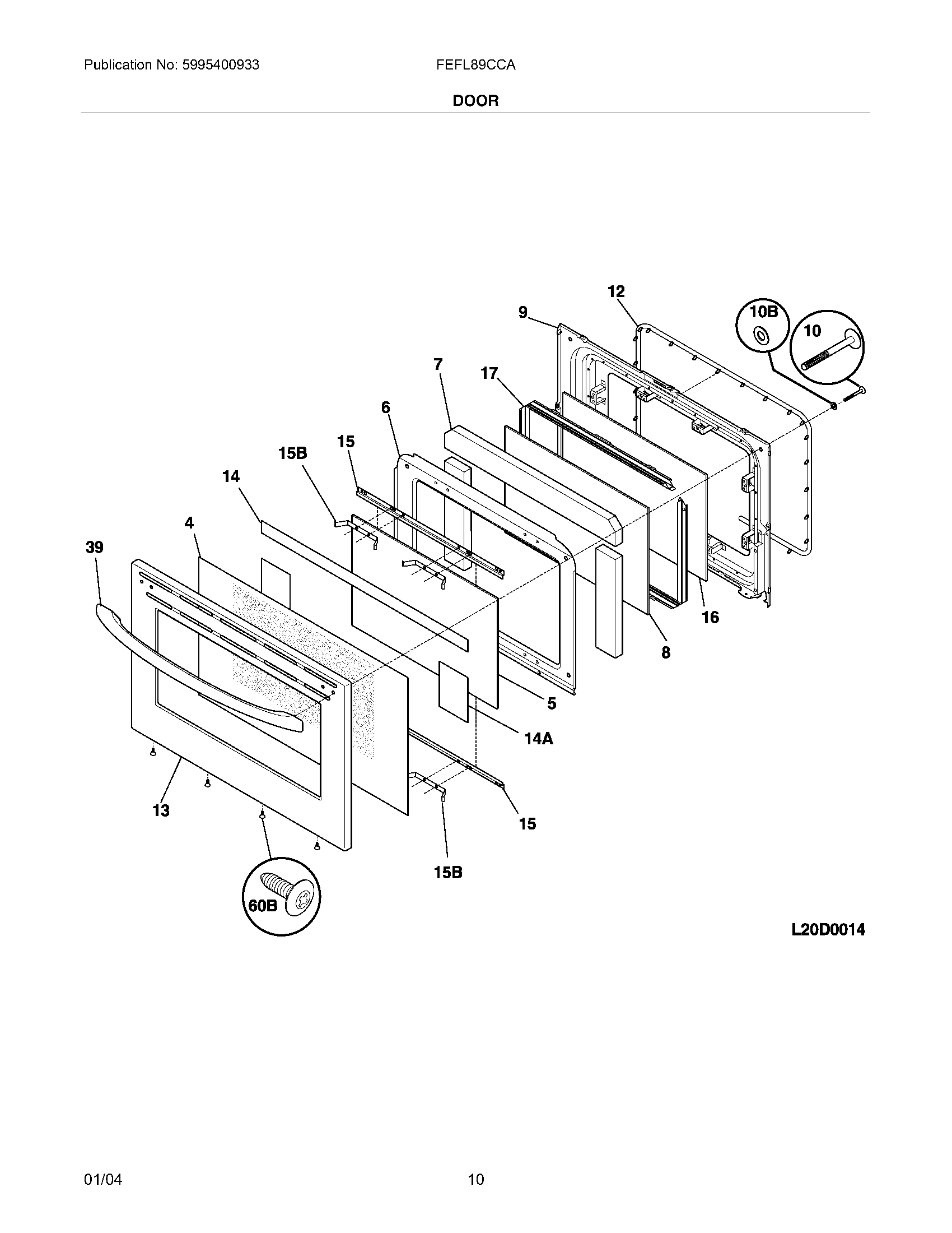
FEFL89CCA 09 – DOOR