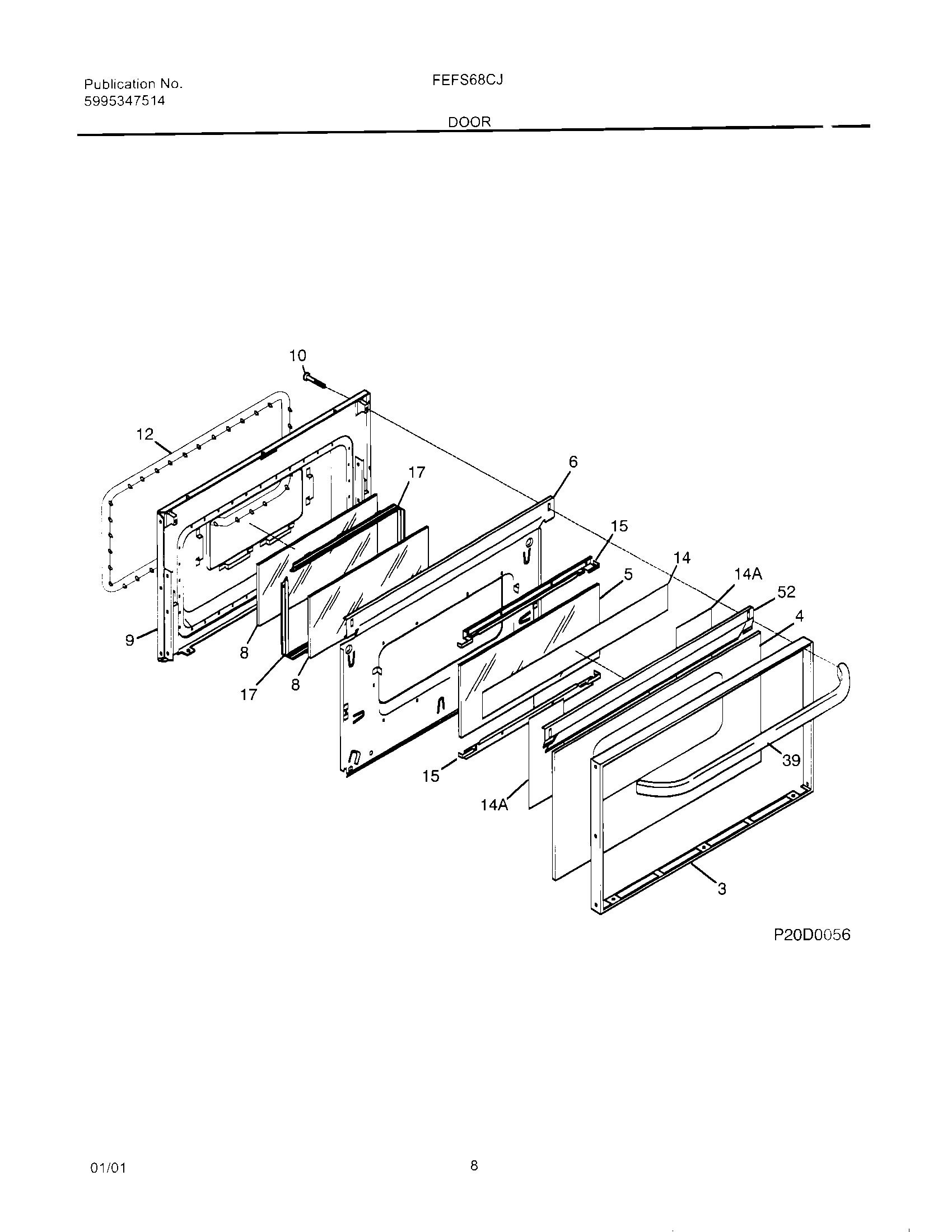
FEFS68CJSB 09 – DOOR