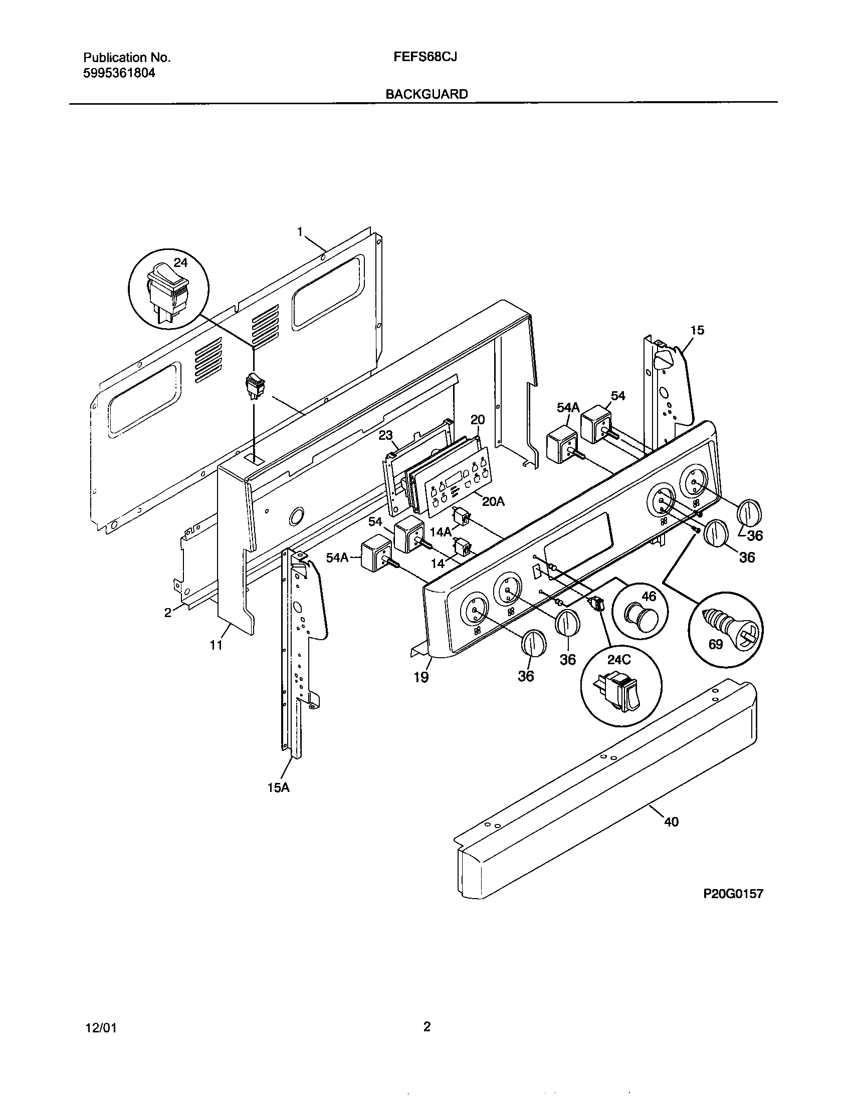
FEFS68CJSC 03 – BACKGUARDadmin2025-04-26T10:04:57+00:00FEFS68CJSC 03 – BACKGUARD ProductsPositionProductNI316021105 Frigidaire Oven ScrewNIScrew,cup pt ,8-18 x 0.375 ,chromeNI316021109 Frigidaire Oven Screw1WCI 3160816002WCI 31601590511WCI 31608372114316022503 Frigidaire Light Lamp P-114A316022500 Frigidaire Oven Warmer Drawer Zone Indicator Light Lamp15AWCI 31602310915WCI 31602310819WCI 31610058620AWCI 31610154320WCI 31613160523WCI 31610030124C316259800 Frigidaire Switch-Rocker245304527842 Frigidaire Rocker Switch36WCI 31610960740WCI 31602580846318228310 Frigidaire Oven Lens545303935086 Frigidaire Oven Top Burner Switch Kit54A316436001 Frigidaire Oven Range Infinite Burner Switch69SCREW-SWITCH MTG, 8-32 X 3/16, SW TO CNTL PNL, (8)