FEP330BL1 02 – CONTROL PANELadmin2025-04-26T11:38:41+00:00FEP330BL1 02 – CONTROL PANEL
Products
| Position | Product |
|---|
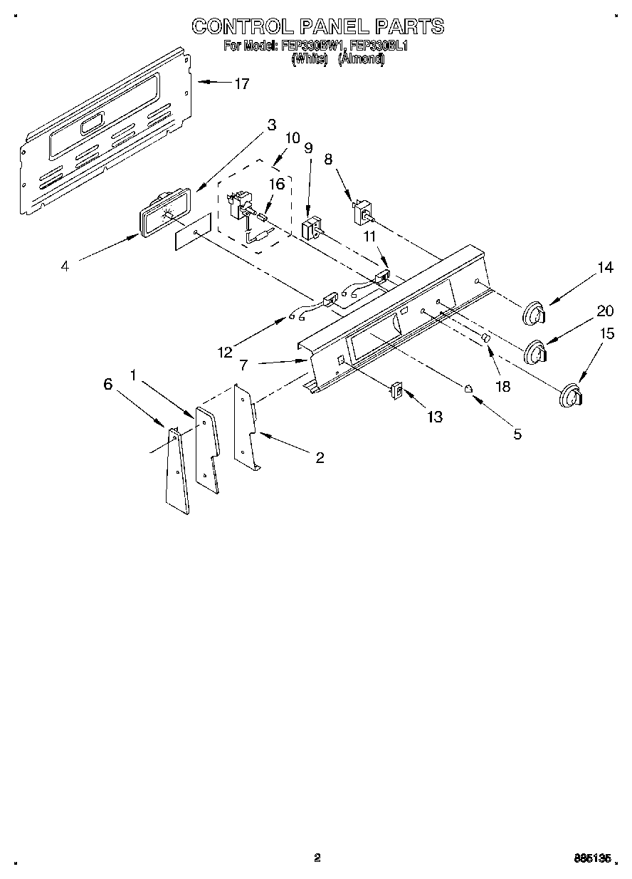
| 1 | End Cap, R.H. (White/Almond/Gold) |
| 1 | End Cap, R.H. (White/Almond/Gold) |
| 1 | Screw, |
| 2 | Shield (2) |
| 3 | Timer, Clock |
| 3 | WP965173 Whirlpool Dishwasher Screw |
| 4 | Glass, Timer |
| 5 | WP3169181 Whirlpool Knob |
| 6 | Panel, Control (Screw, 8-18 x 5/8 (4)) |
| 6 | End Trim (LH, Black) |
| 6 | End Trim R.H. (Black) |
| 7 | Panel, Control |
| 8 | WP3149404 Whirlpool Oven Surface Element Switch |
| 8 | SWITCH-INF |
| 9 | Screw, 8-32 x 3/16 (2) |
| 9 | Switch, Selector |
| 10 | Thermostat, 0ven |
| 10 | WP313808 Whirlpool Screw |
| 11 | Light, Indicator (250V) |
| 12 | Light, Indicator (Includes No. 12) (Surface Unit On) |
| 13 | WP4314961 Whirlpool Lite Switch |
| 14 | WP3149983 Whirlpool Knob |
| 15 | Knob, Temperature |
| 16 | WPL 3169525 |
| 17 | Rear Cover Contr |
| 17 | SCREW |
| 18 | Lens, Amber |
| 20 | Knob, Selector |