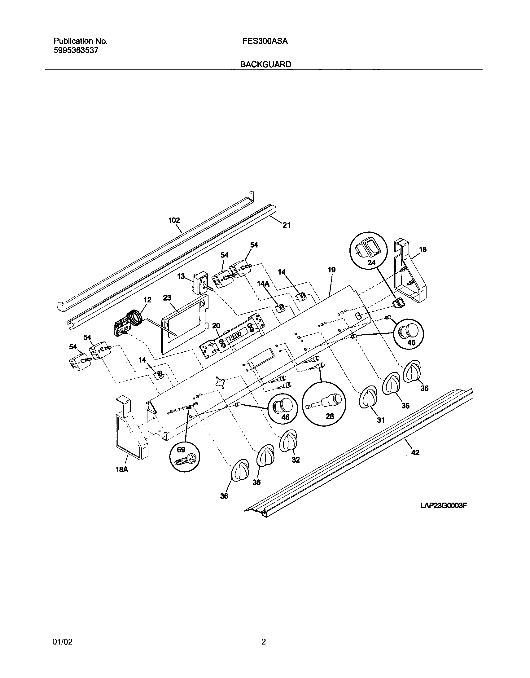
FES300ASA 03 – BACKGUARD