| NI | SCREW,TRUSS HEAD,8-18 X 0.375 |
| NI | 5303211311 Frigidaire Refrigerator Screw |
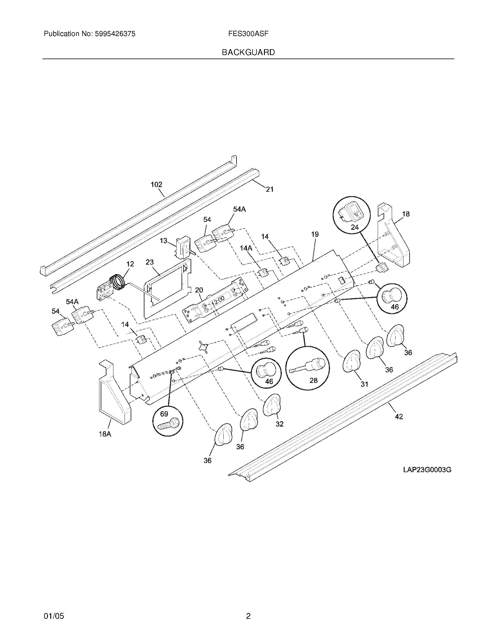
| 12 | 318059310 Frigidaire Thermostat |
| 13 | WCI 318057910 |
| 14 | 316022503 Frigidaire Light Lamp P-1 |
| 14A | WCI 318076700 |
| 18 | 318254698 Frigidaire End Cap Set |
| 19 | WCI 318182963 |
| 20 | WCI 318184801 |
| 21 | TRIM-BACKGUARD,TOP |
| 23 | WCI 318015020 |
| 24 | 5304527842 Frigidaire Rocker Switch |
| 28 | WCI 318215600 |
| 31 | WCI 318196639 |
| 32 | WCI 318196710 |
| 36 | 318196633 Frigidaire Control Knob Assembly |
| 42 | WCI 318106924 |
| 46 | 5304462665 Frigidaire Oven Lens Kit |
| 54A | 318293827 Frigidaire Oven Surface Element Switch |
| 54 | 318293820 Frigidaire Switch Surface Heating |
| 69 | 5303288565 Frigidaire Screw |
| 102 | WCI 318055601 |