FES300BEBA 02 – BACKGUARDadmin2025-04-26T10:04:26+00:00FES300BEBA 02 – BACKGUARD
Products
| Position | Product |
|---|
| *18240 | SCREW,TRUSS HEAD,8-18 X 0.375 |
| *18243 | 5303323137 Frigidaire Oven Screw |
| *18242 | PLATE, BACKUP, LIGHT SWITCH |
| *18241 | 5303211311 Frigidaire Refrigerator Screw |
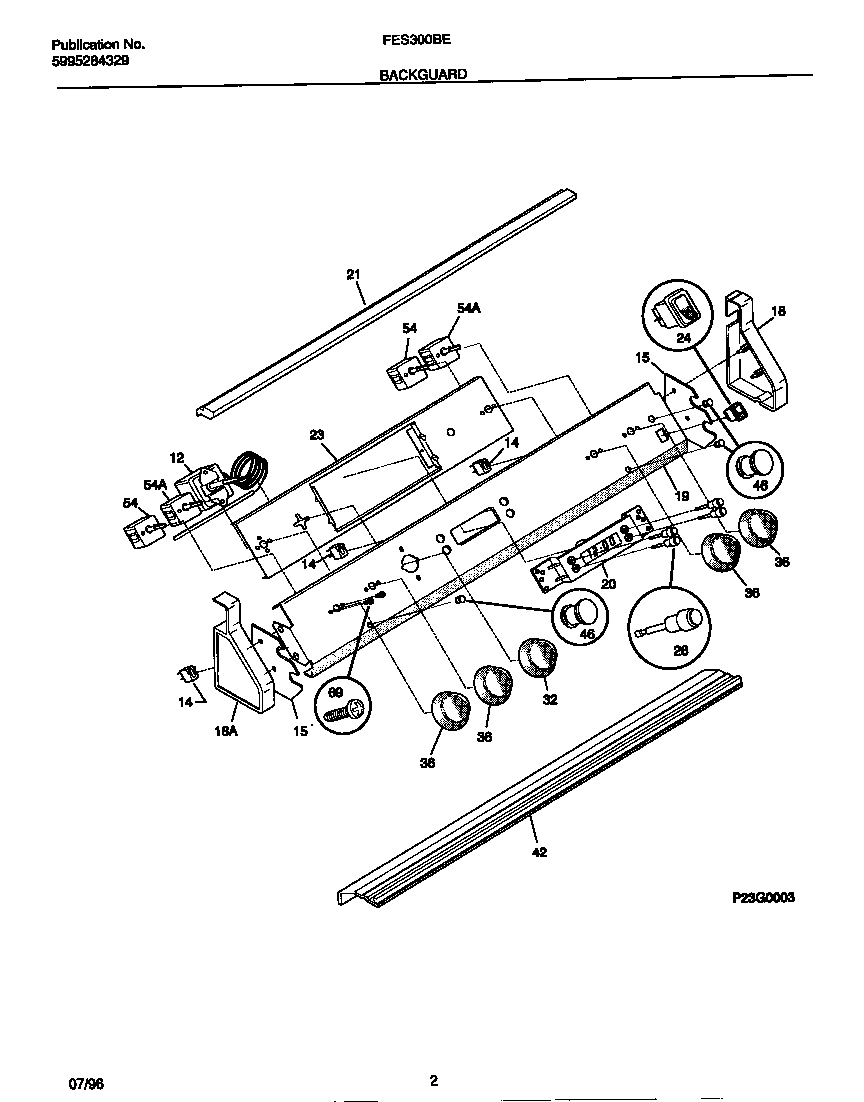
| 12 | WCI 5303311120 |
| 12 | SCREW |
| 14 | LIGHT-LAMP/INDICATOR |
| 14 | LIGHT-LAMP/INDICATOR, OVEN |
| 15 | WCI 5303311123 |
| 18 | WCI 5303300161 |
| 18 | WCI 5303300160 |
| 19 | WCI 5303311121 |
| 20 | WCI 316065400 |
| 21 | WCI 318027800 |
| 23 | WCI 318015001 |
| 24 | 5304527841 Frigidaire Oven Rocker Switch (Black) |
| 28 | WCI 5303311122 |
| 32 | WCI 318016306 |
| 36 | Knob,control ,black |
| 42 | WCI 318106900 |
| 46 | LENS (2) |
| 54 | SWITCH-SURFACE UNIT |
| 54 | WCI 318120501 |
| 69 | SCREW-SWITCH MTG, 8-32 X 3/16, SW TO CNTL PNL, (8) |