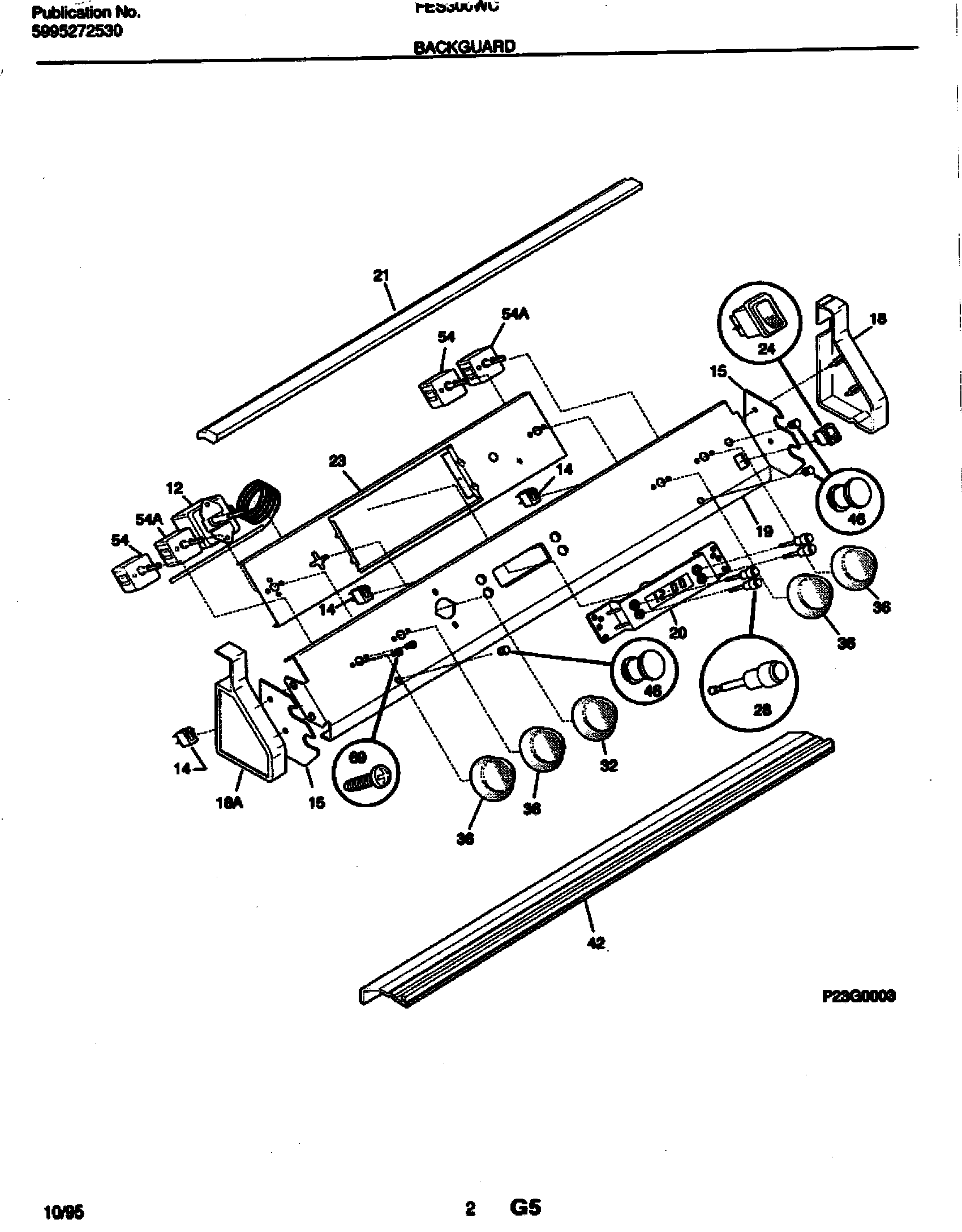
FES300WCD2 03 – BACKGUARDadmin2025-04-26T10:05:56+00:00FES300WCD2 03 – BACKGUARD ProductsPositionProduct12SCREW12WCI 530331112014LIGHT-LAMP/INDICATOR, OVEN14LIGHT-LAMP/INDICATOR15WCI 530331112316WCI 530330016018AWCI 530330016119WCI 530331112120WCI 31606540021WCI 530330016423WCI 318015001245304527841 Frigidaire Oven Rocker Switch (Black)28WCI 530331112232WCI 31801630636Knob,control ,black42WCI 530330016546LENS-LIGHT545303935086 Frigidaire Oven Top Burner Switch Kit695303323137 Frigidaire Oven Screw