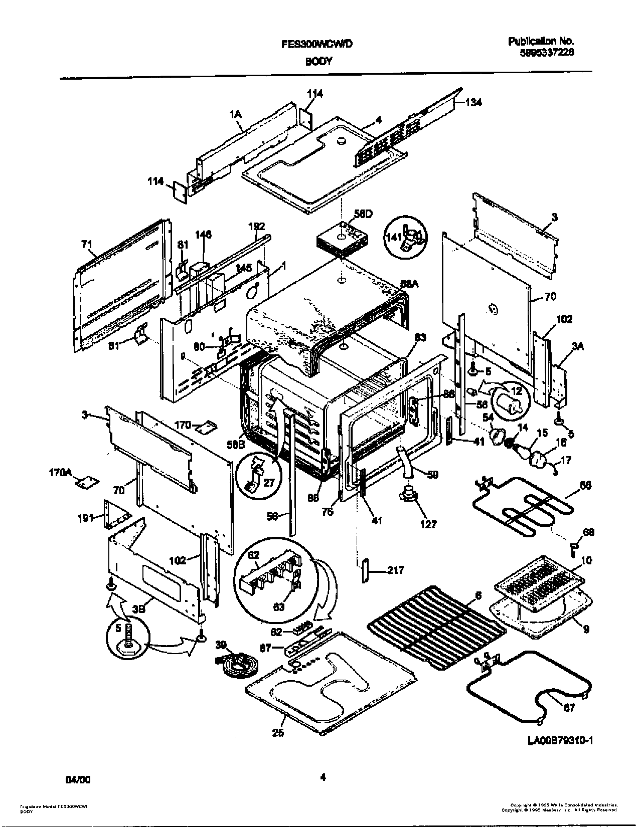
FES300WCDI 03 – BODY