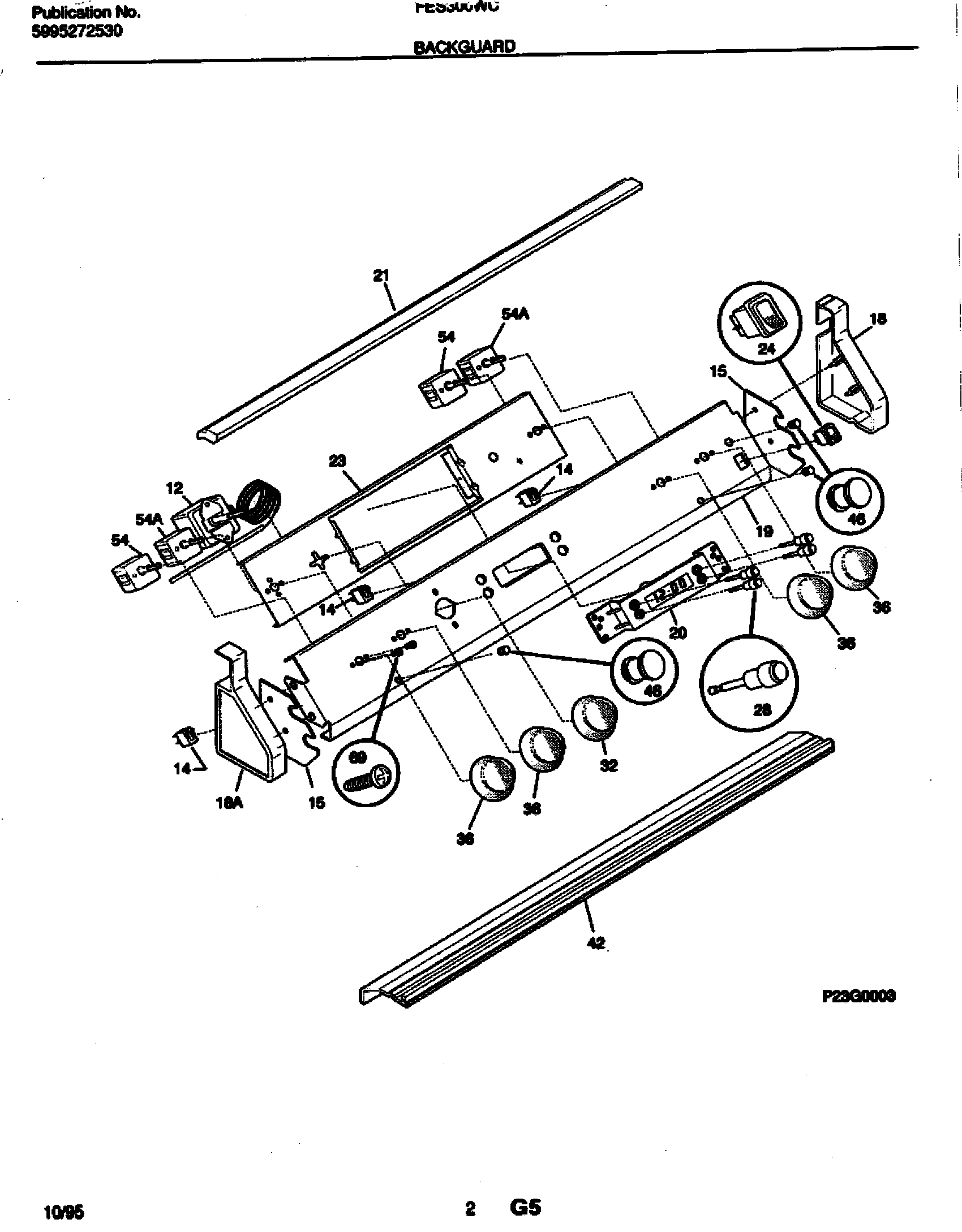
FES300WCWB 03 – BACKGUARD