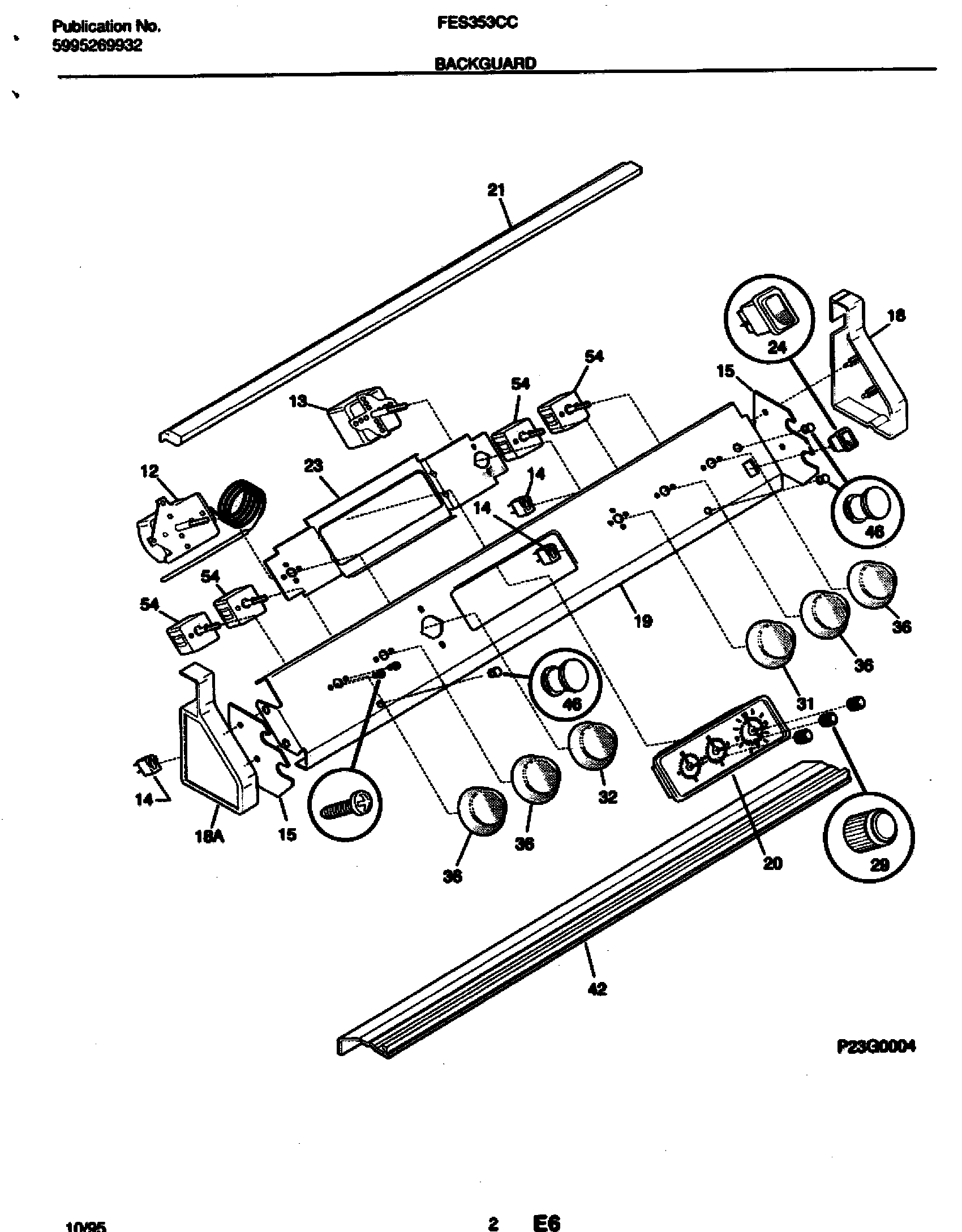
FES353CCDA 03 – BACKGUARDadmin2025-04-26T10:08:36+00:00FES353CCDA 03 – BACKGUARD ProductsPositionProductNI5303323137 Frigidaire Oven Screw12WCI 530330018813WCI 530330018914LIGHT-SIGNAL S/U14LIGHT-SIGNAL OVEN LOCK14LIGHT-LAMP/INDICATOR15WCI 530331112318AWCI 530330016118WCI 530330016019WCI 530330018720WCI 530329635421WCI 530330016423BRACKET-CLOCK MTG245304527841 Frigidaire Oven Rocker Switch (Black)29WCI 31602900031WCI 530330019132WCI 530330019036Knob,control ,black42WCI 530330016546LENS-LIGHT545303935086 Frigidaire Oven Top Burner Switch Kit