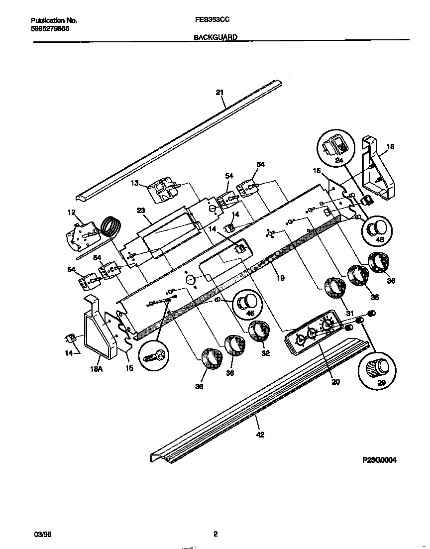
FES353CCDD 02 – BACKGUARDadmin2025-04-26T10:05:27+00:00FES353CCDD 02 – BACKGUARD ProductsPositionProduct*91283WCI 5303311528*91281WCI 5303285912*91282PLATE, BACKUP, LIGHT SWITCH*912805303323137 Frigidaire Oven Screw12WCI 530330018813WCI 530330018914ALIGHT-LAMP/INDICATOR14CLIGHT-SIGNAL OVEN LOCK14BLIGHT-SIGNAL S/U15WCI 530331112318WCI 530330016018WCI 530330016119WCI 530330018720WCI 530329635421WCI 31802780023BRACKET-CLOCK MTG245304527841 Frigidaire Oven Rocker Switch (Black)29WCI 31602900031WCI 530330019132WCI 530330019036Knob,control ,black42WCI 31810690046LENS-LIGHT54WCI 318120501