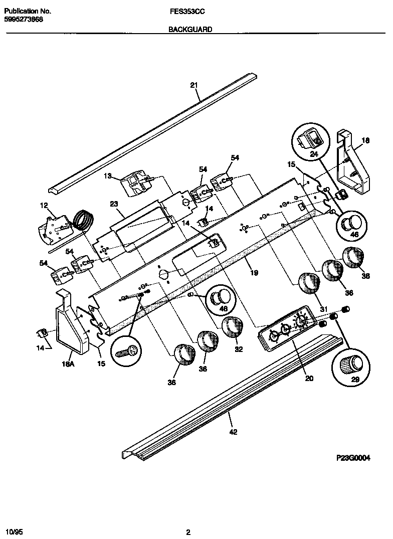
FES353CCWB 02 – BACKGUARDadmin2025-04-26T10:07:33+00:00FES353CCWB 02 – BACKGUARD ProductsPositionProduct*06641SCREW,TRUSS HEAD,8-18 X 0.375*06643WCI 5303311528*06642WCI 5303285912*066405303323137 Frigidaire Oven Screw12WCI 530330018813WCI 530330018914CLIGHT-SIGNAL OVEN LOCK14ALIGHT-LAMP/INDICATOR14BLIGHT-SIGNAL S/U15WCI 530331112318WCI 530330016118WCI 530330016019WCI 530330018720WCI 530329635421WCI 31802780023BRACKET-CLOCK MTG245304527841 Frigidaire Oven Rocker Switch (Black)29WCI 31602900031WCI 530330019132WCI 530330019036AKnob,control ,black36BPLATE, BACKUP, LIGHT SWITCH42WCI 530330016546LENS-LIGHT54A5303935086 Frigidaire Oven Top Burner Switch Kit