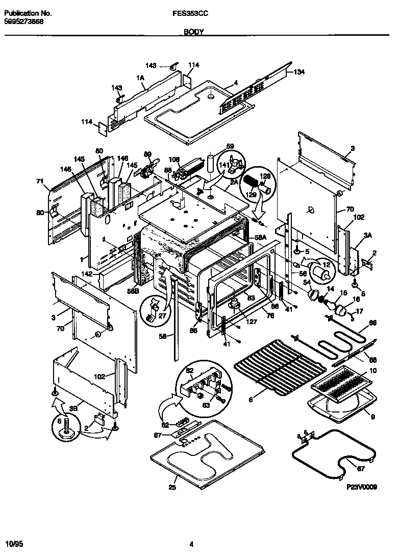
FES353CCWB 03 – BODY