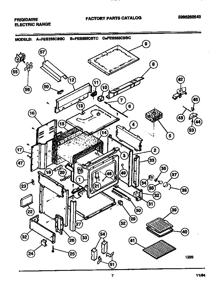
| 1 | WCI 5303304726 |
| 2 | WCI 5303300142 |
| 3 | WCI 5303293413 |
| 4 | WCI 5303300143 |
| 5 | WCI 3008673 |
| 6 | ROD-SWITCH |
| 7 | WCI 08007444 |
| 8 | WCI 316039801 |
| 9 | WCI 5303293414 |
| 10 | SWITCH, DOOR |
| 11 | BRACKET-DOOR SW |
| 12 | WCI 5303286183 |
| 13 | WCI 5303300198 |
| 15 | INSULATION |
| 16 | WIRE, COVER |
| 17 | WCI 5303305538 |
| 18 | 5304409888 Frigidaire Oven Terminal Block with Hardware |
| 20 | WCI 3203574 |
| 21 | VENT TUBE |
| 22 | WCI 5303307197 |
| 23 | PLATE-FILLER |
| 24 | SHIELD-TOE (2) |
| 25 | SCREW-LEVELING (4) |
| 26 | SUPPORT-FRONT (2) |
| 27 | WCI 5303300145 |
| 29 | GUIDE-DRAWER FRNT (2) |
| 30A | RAIL, DRAWER LH |
| 30 | WCI 5308015746 |
| 31 | WCI 5303307198 |
| 32A | PANEL-SIDE LH |
| 32 | PANEL-SIDE RH |
| 33 | WCI 5303300146 |
| 34 | WCI 3051511 |
| 35 | 316116400 Frigidaire Oven Light Socket |
| 36 | 316538904 Frigidaire Oven Lamp Light |
| 37 | 5304524341 Frigidaire Lens |
| 38 | RETAINER-LENS |
| 39 | WCI 5303296872 |
| 40 | WCI 5303292159 |
| 41A | 5304531722 Frigidaire Rack |
| 41 | WCI 5303300202 |
| 42 | MOTOR-LATCH ASSY |
| 43 | WCI 3051649 |
| 44 | HOUSING-DOOR LATCH |
| 45 | LATCH-DOOR |
| 47 | SWITCH, THERMAL CUTOUT |
| 48 | BUTTON-PLUG |
| 49 | BUTTON-PLUG |
| 50 | WCI 5303300148 |
| 51 | WCI 5303280340 |
| 52 | WCI 3051810 |
| 53 | AXLE - HINGE (2) |
| 54 | WCI 5303280341 |
| 55 | WCI 5303284447 |
| 56 | WCI 316017600 |
| 57A | WCI 316007700 |
| 57B | WCI 3203575 |
| 57D | 316217002 Frigidaire Oven Temperature Probe |
| 57C | WCI 3203576 |
| 57 | WCI 5303307288 |