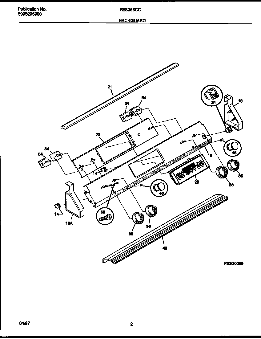
FES355CCTC 02 – BACKGUARDadmin2025-04-26T10:08:50+00:00FES355CCTC 02 – BACKGUARD ProductsPositionProduct*892015303300265 Frigidaire Oven Screw*89203WCI 5303311528*892005303211311 Frigidaire Refrigerator Screw*892025303323137 Frigidaire Oven Screw14LIGHT-LAMP/INDICATOR18CAP-END LH18CAP-END RH19WCI 31800554720WCI 31801291820B5303323130 Frigidaire Oven Screw20ASCREW21WCI 31802780223WCI 31801550124PLATE, BACKUP, LIGHT SWITCH24WCI 530332595236WCI 31801630442WCI 31810690246LENS (2)54WCI 318120501695303288565 Frigidaire Screw