| NI | 5303300265 Frigidaire Oven Screw |
| NI | 316419137 Frigidaire Oven Overlay |
| NI | WCI 318228866 |
| NI | WCI 318224859 |
| NI | 5304453707 Frigidaire Oven Screw |
| NI | SCREW,TRUSS HEAD,8-18 X 0.375 |
| NI | WCI 5304447071 |
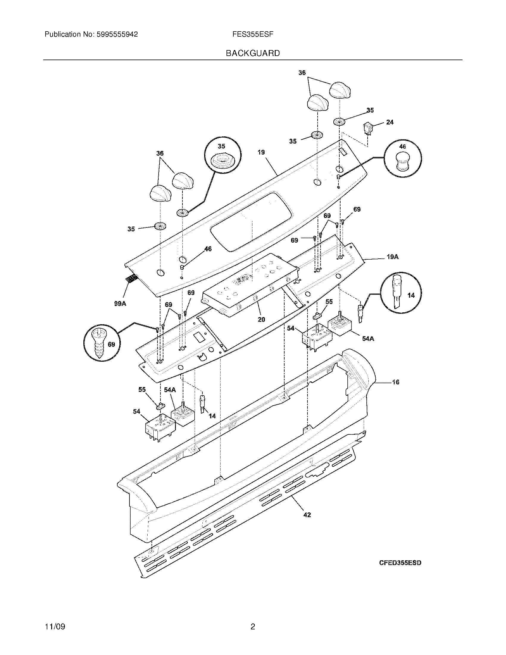
| 14 | WCI 318293901 |
| 16 | WCI 318299100 |
| 19 | WCI 318235187 |
| 19A | WCI 318224401 |
| 20 | 318414214 Frigidaire Clock Timer |
| 24 | 5304527842 Frigidaire Rocker Switch |
| 35 | WCI 318183100 |
| 36 | 316223028 Frigidaire Oven Knob |
| 42 | WCI 318298011 |
| 46 | WCI 318228301 |
| 54 | 318293830 Frigidaire Oven Switch |
| 54A | 318293831 Frigidaire Range Surface Element Switch |
| 55 | 318402901 Frigidaire Oven Bushing |
| 69 | 5303288565 Frigidaire Screw |
| 99A | 318223900 Frigidaire Oven Gasket |