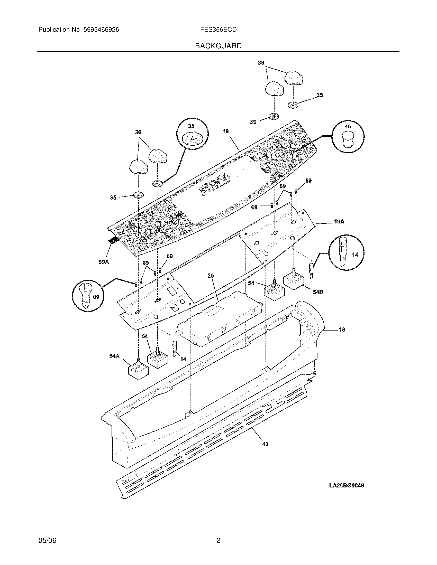
FES366ECD 03 – BACKGUARD