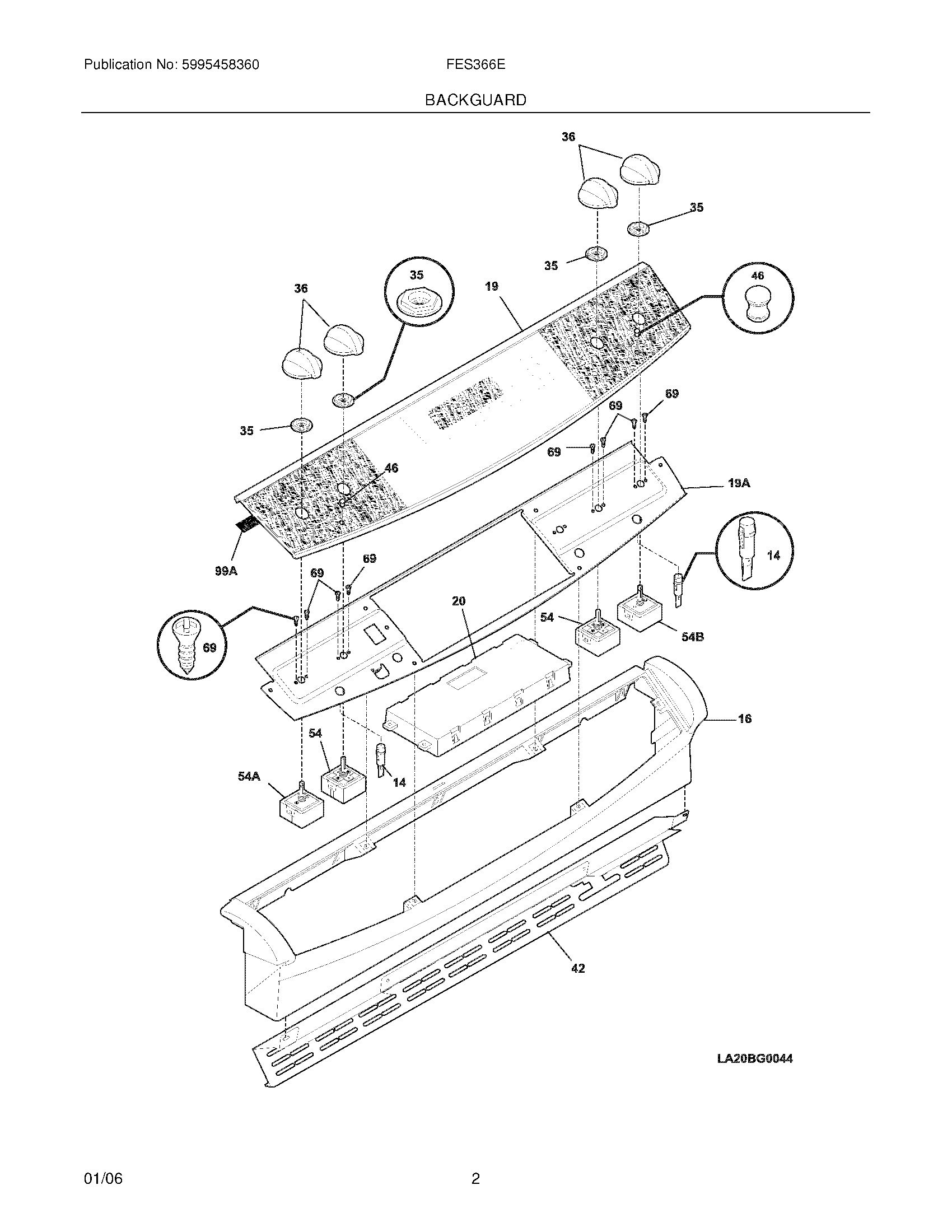
| NI | 5303300265 Frigidaire Oven Screw |
| NI | SCREW,TRUSS HEAD,8-18 X 0.375 |
| NI | 5304453707 Frigidaire Oven Screw |
| NI | WCI 318228817 |
| NI | WCI 318224815 |
| NI | WCI 318224811 |
| 14 | WCI 318293900 |
| 16 | WCI 318299100 |
| 19A | WCI 318224403 |
| 19 | WCI 318312200 |
| 20 | 316418530 Frigidaire Clock/Timer Control Board |
| 35 | WCI 318183101 |
| 36 | 316223028 Frigidaire Oven Knob |
| 42 | WCI 318298001 |
| 46 | WCI 318228300 |
| 54 | SM SURFACE UNIT SWITCH |
| 54B | DUAL INFINITE SWITCH |
| 54A | 903136-9020 Frigidaire Oven Range Surface Burner Infinite Switch |
| 69 | 5303288565 Frigidaire Screw |
| 99A | 318223900 Frigidaire Oven Gasket |