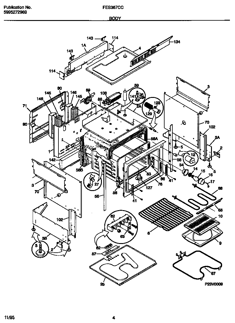
FES367CCBA 03 – BODY