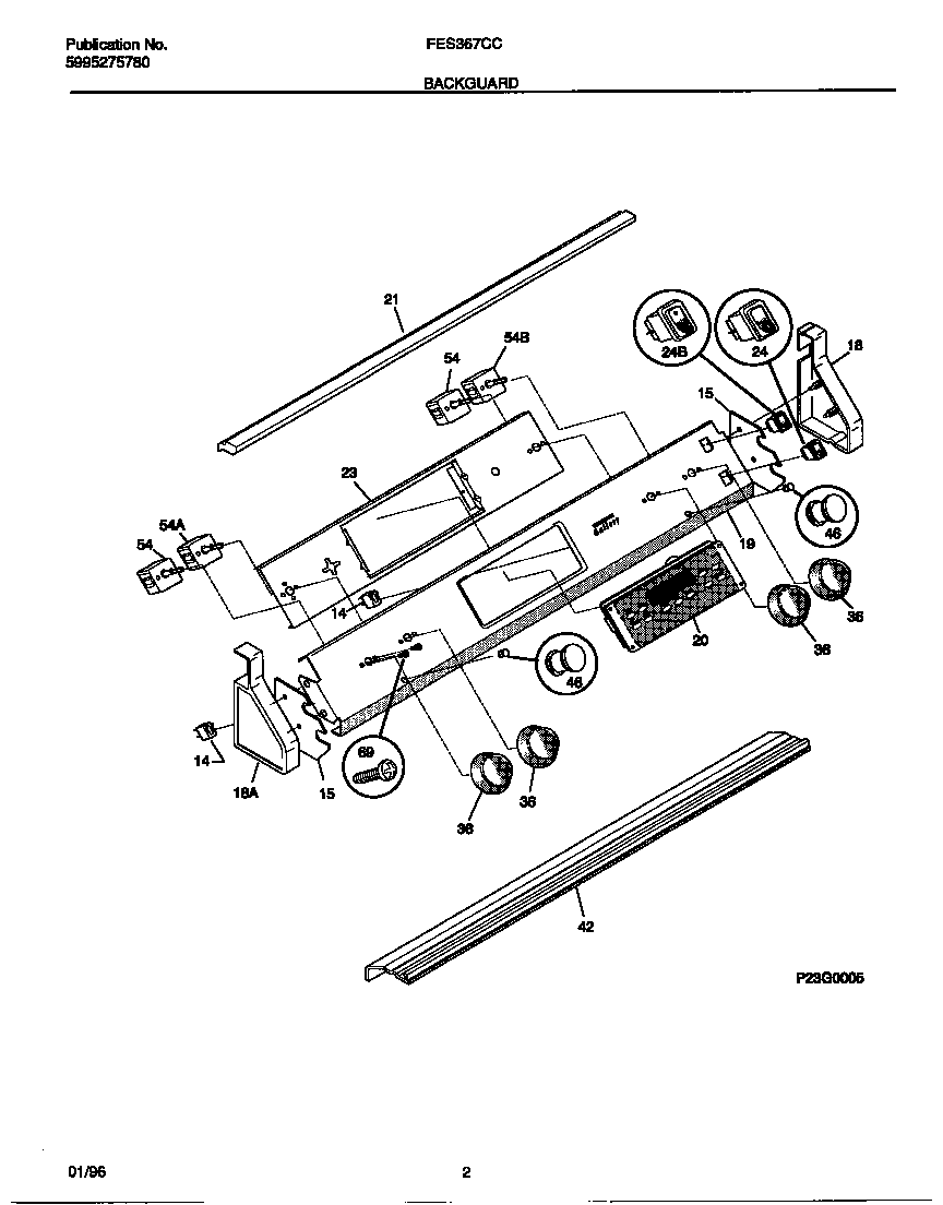
FES367CCBC 02 – BACKGUARDadmin2025-04-26T10:09:09+00:00FES367CCBC 02 – BACKGUARD ProductsPositionProduct*39640SCREW,TRUSS HEAD,8-18 X 0.375*39642WCI 5303311528*39641PLATE, BACKUP, LIGHT SWITCH14LIGHT-LAMP/INDICATOR15WCI 530331112318WCI 530330719619WCI 31800551120WCI 31801280021WCI 31802780023WCI 318015000245304527841 Frigidaire Oven Rocker Switch (Black)24316083100 Frigidaire Oven Range Rocker Switch36WCI 31801630242WCI 530330016546LENS-LIGHT545303935086 Frigidaire Oven Top Burner Switch Kit54SWITCH-SURFACE UNIT695303323137 Frigidaire Oven Screw