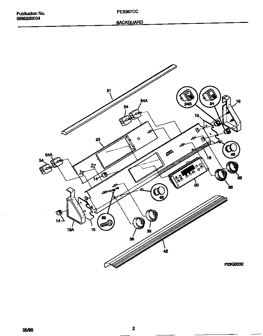
FES367CCBD 02 – BACKGUARDadmin2025-04-26T10:09:35+00:00FES367CCBD 02 – BACKGUARD ProductsPositionProduct*25961WCI 5303311528*25960PLATE, BACKUP, LIGHT SWITCH14LIGHT-LAMP/INDICATOR15WCI 530331112318WCI 530330719619WCI 31800551120WCI 31801280021WCI 31802780023WCI 31801500024316083100 Frigidaire Oven Range Rocker Switch245304527841 Frigidaire Oven Rocker Switch (Black)36WCI 31801630242WCI 31810690046LENS-LIGHT54WCI 31812050154SWITCH-SURFACE UNIT695303323137 Frigidaire Oven Screw