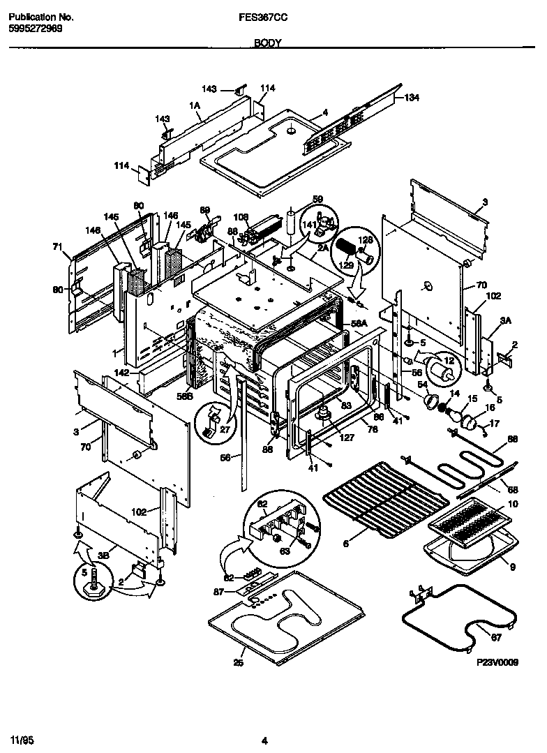
FES367CCS1 03 – BODY