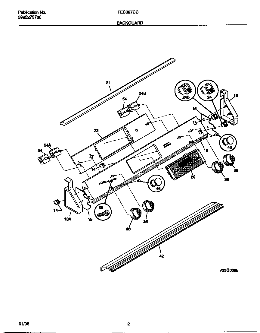
FES367CCSC 02 – BACKGUARDadmin2025-04-26T10:09:53+00:00FES367CCSC 02 – BACKGUARD ProductsPositionProduct*39640SCREW,TRUSS HEAD,8-18 X 0.375*39642WCI 5303311528*39641PLATE, BACKUP, LIGHT SWITCH14LIGHT-LAMP/INDICATOR15WCI 530331112318318254698 Frigidaire End Cap Set19WCI 31800550920WCI 31801280121WCI 31802780123WCI 31801500024SWITCH-ROCKER,WHITE, DUAL ELEMENT245304527842 Frigidaire Rocker Switch36WCI 31801630042WCI 530330469046LENS-LIGHT54SWITCH-SURFACE UNIT545303935086 Frigidaire Oven Top Burner Switch Kit695303323137 Frigidaire Oven Screw