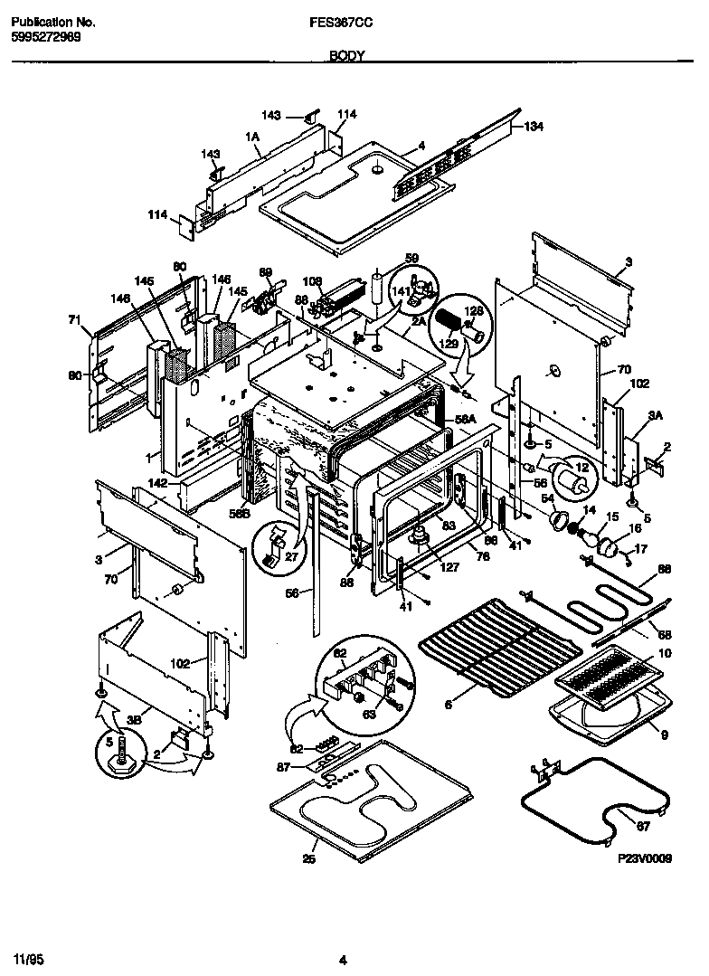
FES367CCT1 03 – BODY