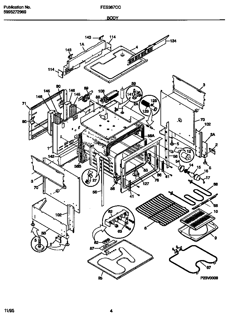
FES367CCTA 03 – BODY