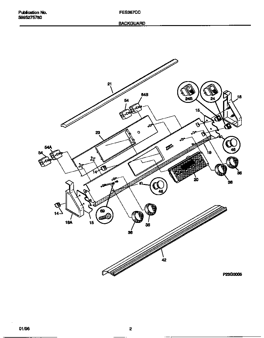
FES367CCTC 02 – BACKGUARDadmin2025-04-26T10:12:58+00:00FES367CCTC 02 – BACKGUARD ProductsPositionProduct*39640SCREW,TRUSS HEAD,8-18 X 0.375*39642WCI 5303311528*39641PLATE, BACKUP, LIGHT SWITCH14LIGHT-LAMP/INDICATOR15WCI 530331112318WCI 530330728519WCI 31800551020WCI 31801280221WCI 31802780223WCI 31801500024WCI 31607630224SWITCH-ROCKER,OVEN LIGHT ,ALMOND36WCI 31801630442RAIL-BOTTOM46LENS-LIGHT54SWITCH-SURFACE UNIT545303935086 Frigidaire Oven Top Burner Switch Kit695303323137 Frigidaire Oven Screw