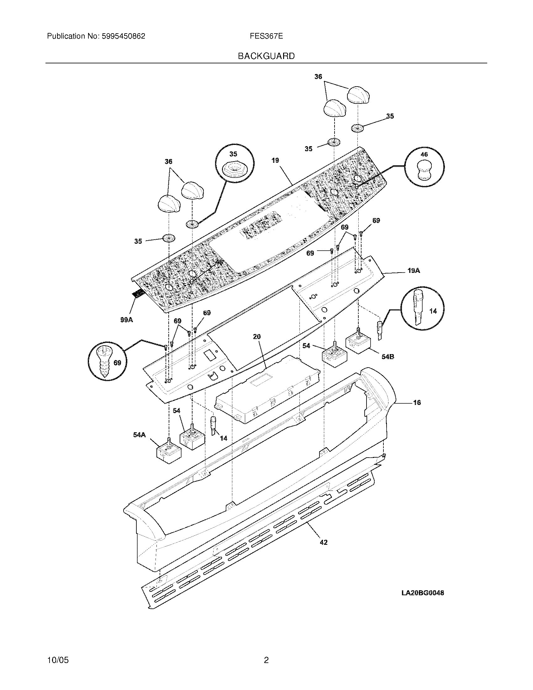
FES367ECB 03 – BACKGUARD