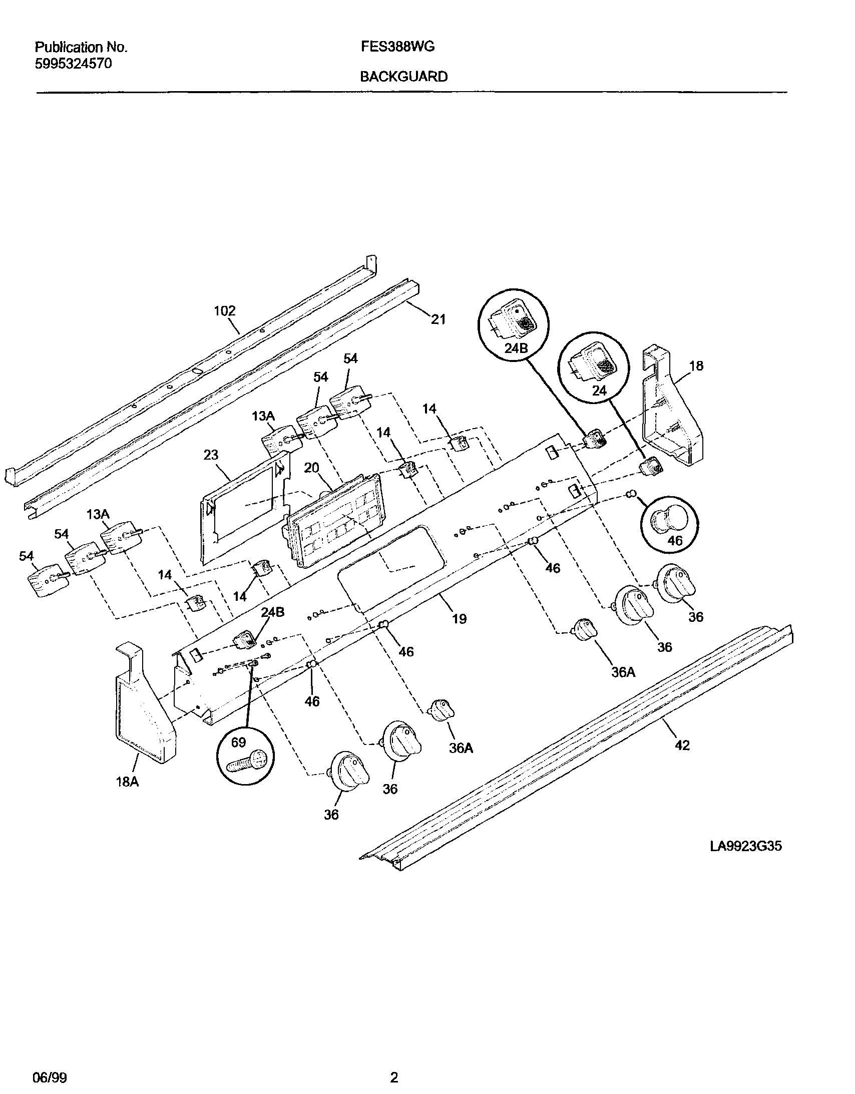
FES388WGCE 03 – BACKGUARD