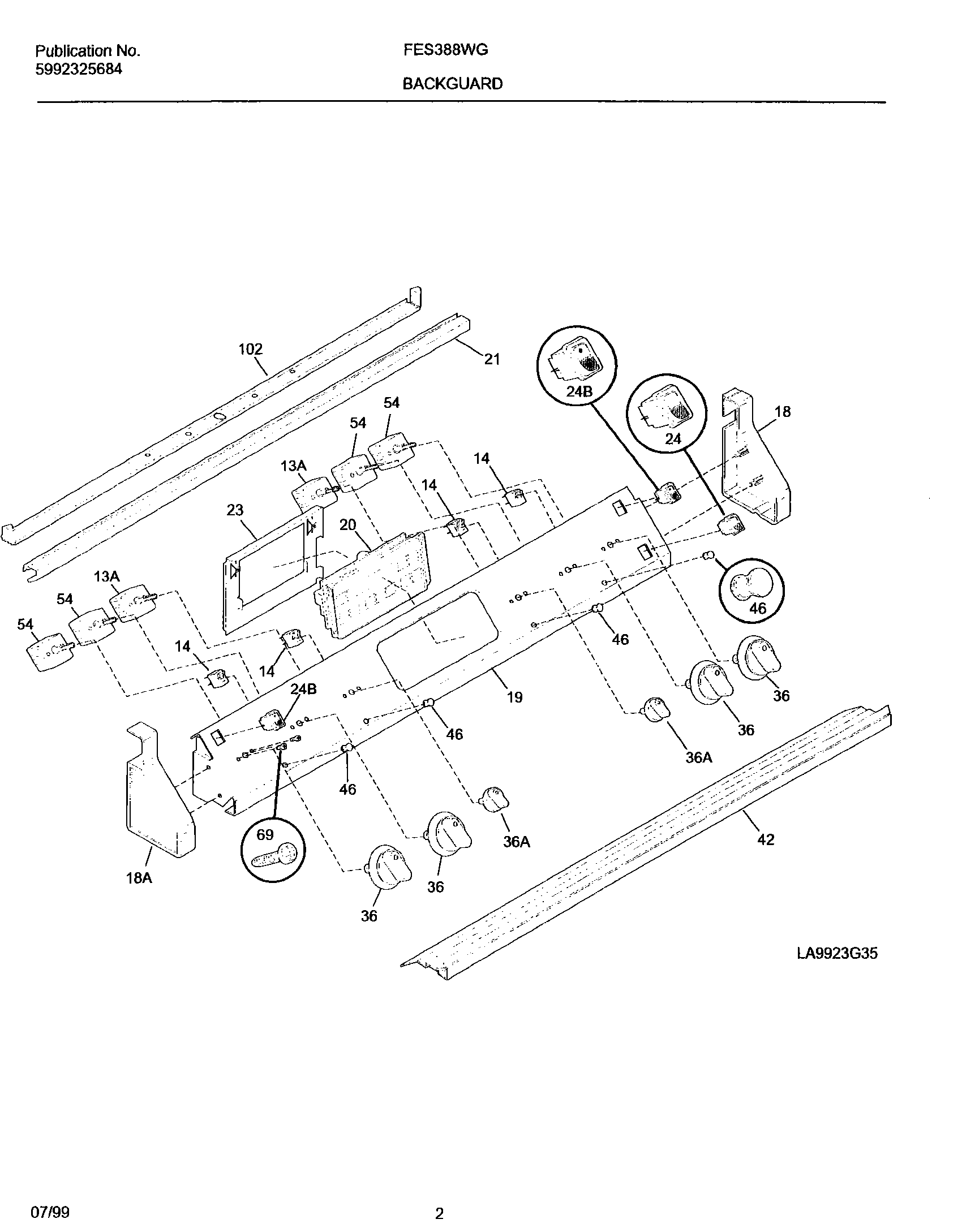
FES388WGCF 03 – BACKGUARDadmin2025-04-26T10:35:40+00:00FES388WGCF 03 – BACKGUARD ProductsPositionProductNISCREW,TRUSS HEAD,8-18 X 0.375NIWCI 5303323145NI5303211311 Frigidaire Refrigerator ScrewNIWCI 218490900NICLIP, PLATE CONNECTOR (NOT ILLUSTRATED)NI08002868 Frigidaire 0 Screw Assembly13A5304508926 Frigidaire Oven Temperature Control Switch14LIGHT-LAMP/INDICATOR18WCI 530330016018AWCI 530330016119WCI 31800555520WCI 31801290321WCI 31802780323BRACKET-TIMER24B316083100 Frigidaire Oven Range Rocker Switch245304527841 Frigidaire Oven Rocker Switch (Black)36AWCI 31801760036Knob,control42WCI 31810690346LENS (2)545303935086 Frigidaire Oven Top Burner Switch Kit695303288565 Frigidaire Screw102WCI 318055601