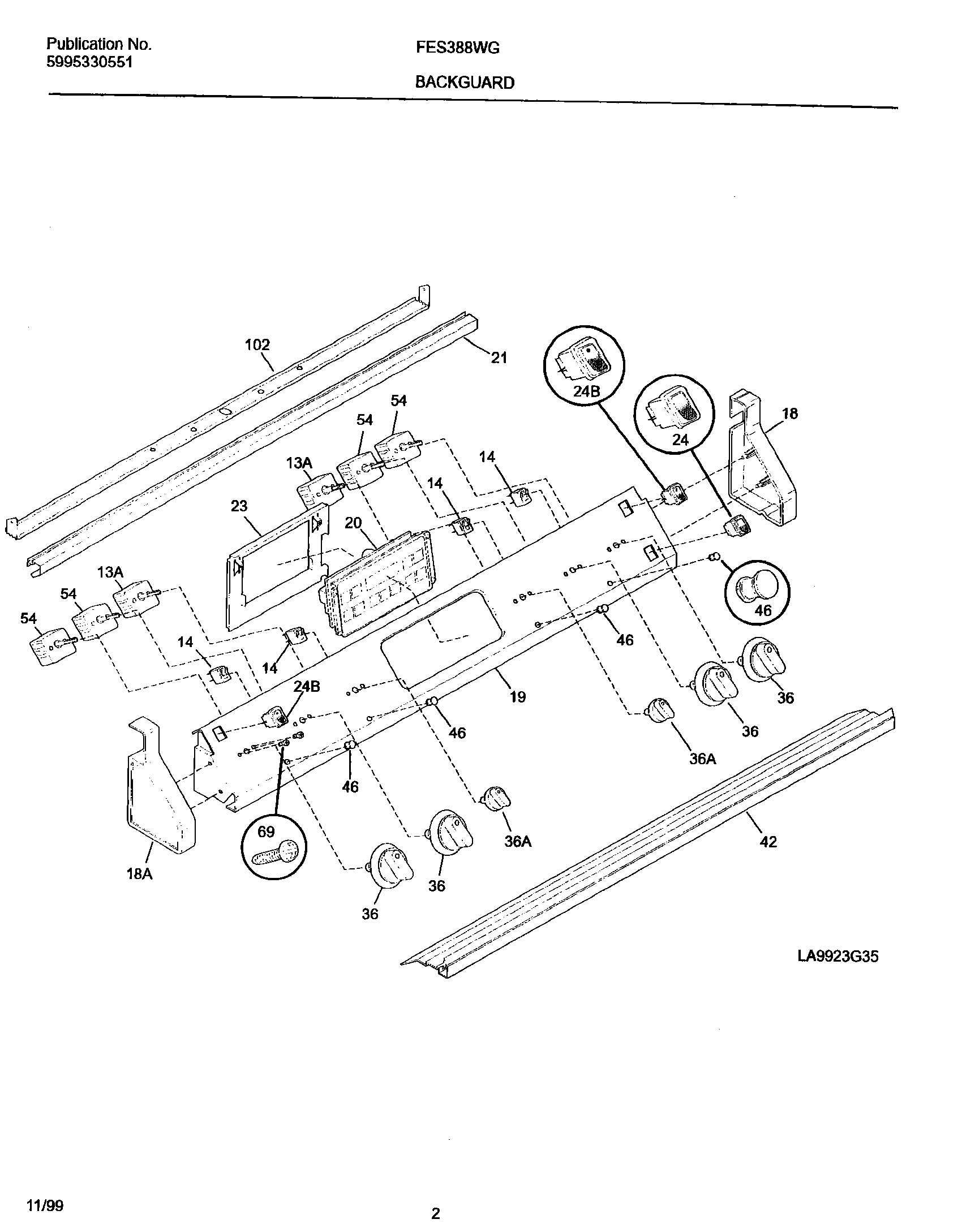
FES388WGCH 03 – BACKGUARDadmin2025-04-26T10:34:08+00:00FES388WGCH 03 – BACKGUARD ProductsPositionProductNISCREW,TRUSS HEAD,8-18 X 0.375NICLIP, PLATE CONNECTOR (NOT ILLUSTRATED)NIWCI 5303323145NI5303211311 Frigidaire Refrigerator ScrewNIWCI 218490900NI08002868 Frigidaire 0 Screw Assembly13A5304508926 Frigidaire Oven Temperature Control Switch14LIGHT-LAMP/INDICATOR18WCI 530330016018AWCI 530330016119WCI 31800555520WCI 31801290321WCI 31802780323WCI 31801502024B316083100 Frigidaire Oven Range Rocker Switch245304527841 Frigidaire Oven Rocker Switch (Black)36AWCI 31801760036Knob,control42WCI 31810692746318044511 Frigidaire Oven Lens545303935086 Frigidaire Oven Top Burner Switch Kit695303288565 Frigidaire Screw102WCI 318055601