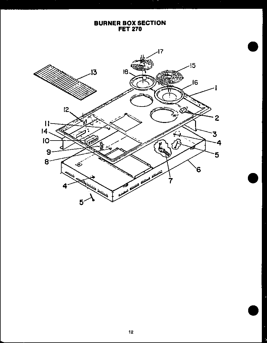
FET270 01 – BURNER BOX SECTIONadmin2025-04-26T09:30:47+00:00FET270 01 – BURNER BOX SECTION ProductsPositionProductNIMAY Y00419971MAY 300981B1MAY 03001861MAY 300981W2BURNER RECEPTACLE KIT2MAY Y00421543MAY Y00408214MAY 00418615MAY Y00418366MAY 00404747MAY Y00437488MAY Y00417859MAY Y004096510MAY Y004221010MAY Y004212311MAY 004189611MAY Y004181012MAY Y007191112MAY Y005425412MAY 004190213MAY 301110T13MAY 005894114MAY Y004085115MAY Y005157216MAY X04214416MAY 301168T16MAY 305839B17MAY Y005157518MAY X04214318MAY 301167T18MAY Y059011B