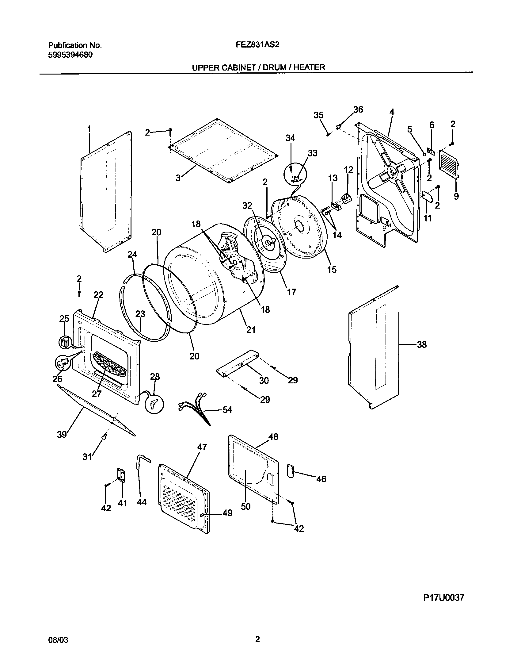
FEZ831AS2 03 – UPPER CABINET/DRUM/HEATERadmin2025-04-26T10:35:12+00:00FEZ831AS2 03 – UPPER CABINET/DRUM/HEATER ProductsPositionProductNI137576600 Frigidaire Dryer Hole Plug Light1WCI 1310847003131883301 Frigidaire Panel4WCI 13175230255303281019 Frigidaire Ball Assembly65303281020 Frigidaire Ball Clip9PANEL-MOTOR ACCESS11WCI 320425012131825900 Frigidaire Dryer Rear Drum Bearing Support Cup White13131724301 Frigidaire Dryer Drum Bearing Bracket14131205400 Frigidaire Screw15HEATER ASSY W/HSNG173204254 Frigidaire Baffle Assembly18131168200 Frigidaire Dryer Screw20137513300 Frigidaire Dryer Drum Glide21134122532 Frigidaire P-1 Assembly Drum Galv + O/S3 Xxx22WCI 134031600235303937183 Frigidaire Dryer Lower Front Felt Seal245303937182 Frigidaire Dryer Drum Upper Felt Seal with Adhesive25131658800 Frigidaire Dryer Door Catch Repair Kit26SWITCH-DOOR27LINT FILTER28CLIP GUIDE (4)29131382300 Frigidaire Screw-VANE30137552900 Frigidaire Vane31131202300 Frigidaire Screw32131777700 Frigidaire Dryer Bearing Drum33SAFETY THERMSTAT34131243800 Frigidaire Screw35131892100 Frigidaire Screw36134120900 Frigidaire Dryer Limiter Thermal38WCI 13108480039137546910 Frigidaire Panel41134222900 Frigidaire Dryer Door Hinge42134156200 Frigidaire Screw44137551901 Frigidaire Gasket46131789400 Frigidaire Handle47137365110 Frigidaire Panel48DOOR-OUTER, WHITE495303207102 Frigidaire Door Strike50134535300 Frigidaire Insulator54WCI 131498900