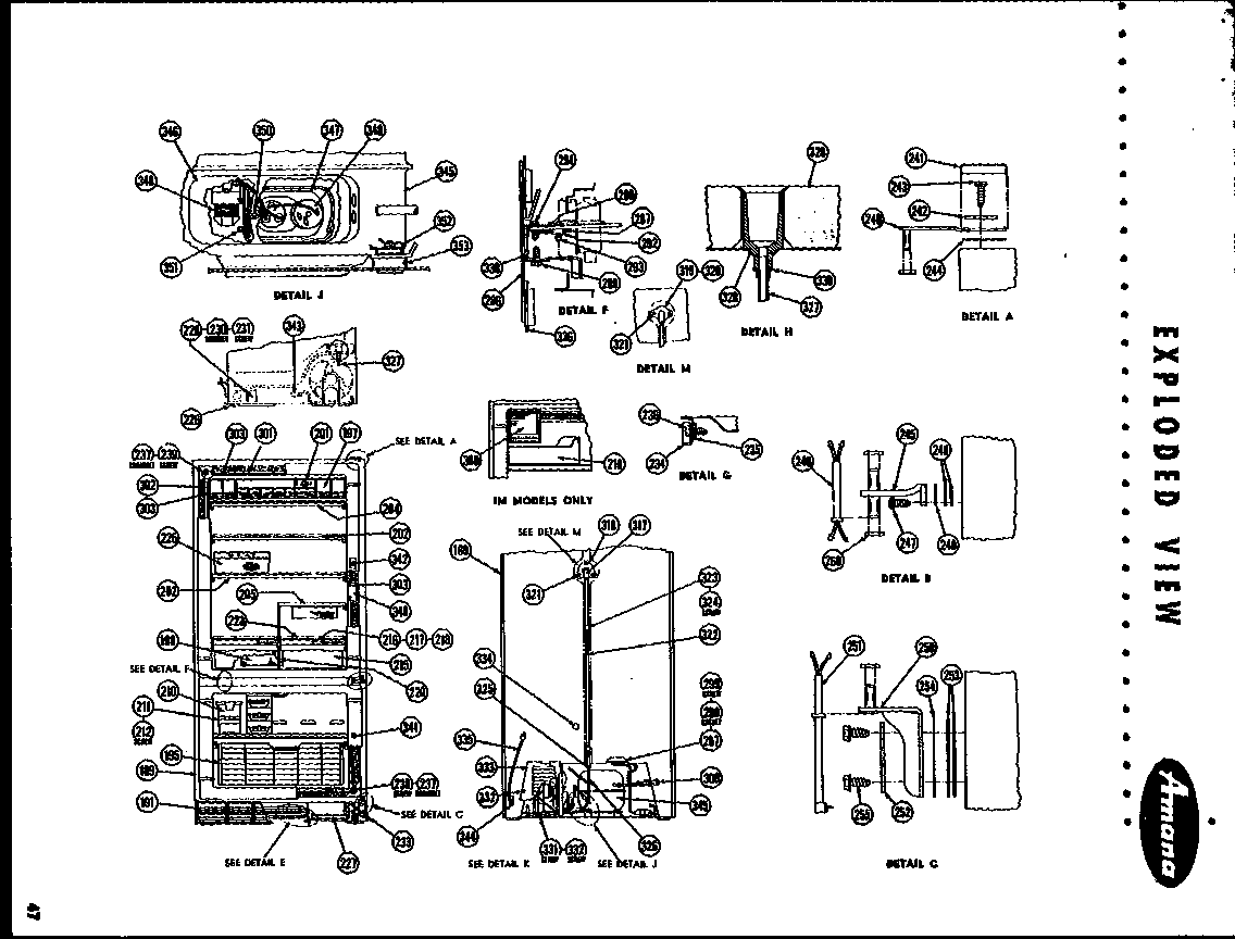
FF125L 05 – Page 1admin2025-04-26T09:32:39+00:00FF125L 05 – Page 1 ProductsPositionProductNIMAY A0395105NIMAY A0327501NIMAY A3017101NIMAY A3024901NIMAY A3037202NIMAY A3030301NIMAY A0257001NIMAY A0278901NIMAY A0229501NIMAY A0238701NIMAY B0528901NIMAY A0260401NIMAY B0NIMAY A4053401NIMAY A3019901189MAY D3851306191MAY C3543002195MAY D3853401197MAY D3850501198MAY D3741302201MAY D3749704202MAY D3855201210MAY D3759503211MAY C3516603212MAY A0396401214MAY C3524201215MAY D3795601216MAY D3795401217MAY A0337601218MAY A0337501219MAY B0537001220MAY C3534601223MAY D3786801225MAY C3542401226MAY A0317401227MAY C3523101228MAY C3525006230MAY C3529901231MAY A0304101234MAY C3523802235MAY A3013202236MAY A0285901237MAY B0496601238MAY A0381901239MAY A3002401240MAY C3524002241MAY B0526601242MAY B0525801243MAY A3015301244MAY A3009801245MAY C3524406246MAY B0535301247MAY A3015401248MAY A3015101249MAY A3015102250MAY C3525202251MAY B0532701252MAY B0528101253MAY A3015201254MAY A3015202255MAY A3015501286MAY D3770201287MAY A3017601289MAY A0372301290MAY A3026901292MAY A3025001293MAY A3002501297MAY A0382901298MAY A0382801300MAY B0539901301MAY B0530801302MAY B0531001317MAY C3513501318MAY A0391201322MAY A0320401323MAY A0321901324MAY A0248901325MAY A3040001326MAY D3866701327MAY D3775201328MAY B0527101329MAY C3524701330MAY A3013601331MAY A0373601331MAY A3029701332SEE NOTE GROUND WIRE, GREEN333MAY C3511505334MAY A0353901335MAY D3796502336MAY C3540001338MAY B0529801340MAY B0531301342MAY B0521801343MAY A3020101344MAY A0319701345MAY D3781802346MAY C3530801347MAY B0532901348MAY C3546501349MAY C3531801350MAY A3039401351MAY A0260201352MAY A0367001353MAY A3026101