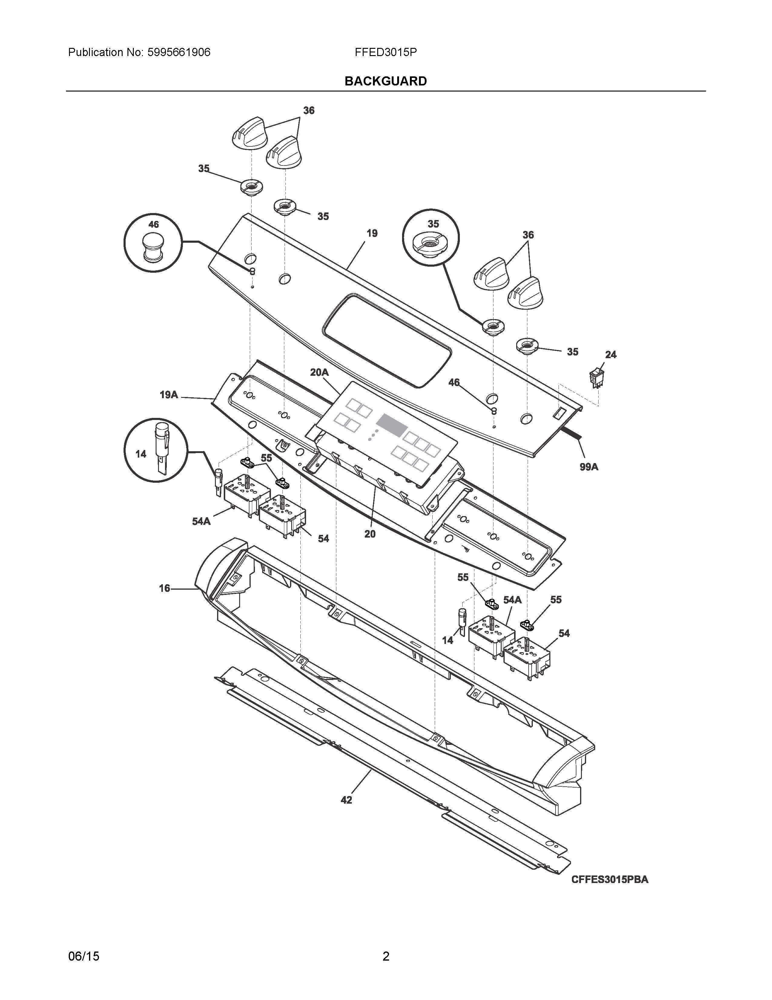
FFED3015PWB 02 – BACKGUARDadmin2025-04-26T10:52:28+00:00FFED3015PWB 02 – BACKGUARD ProductsPositionProductNI316021105 Frigidaire Oven ScrewNI5304517808 Frigidaire HarnessNI5304503593 Frigidaire HarnessNIWCI 5304447071NI316001017 Frigidaire ScrewNI316021109 Frigidaire Oven Screw14WCI 31829390116WCI 31829910019AWCI 31822440119WCI 31823519220WCI 31655713920A316419137 Frigidaire Oven Overlay245304527842 Frigidaire Rocker Switch35SUPPORT, GLASS, WHITE, (4)36WCI 31654380942WCI 31857470146WCI 31822830154318293830 Frigidaire Oven Switch54A318293831 Frigidaire Range Surface Element Switch55318402901 Frigidaire Oven Bushing99A318223900 Frigidaire Oven Gasket