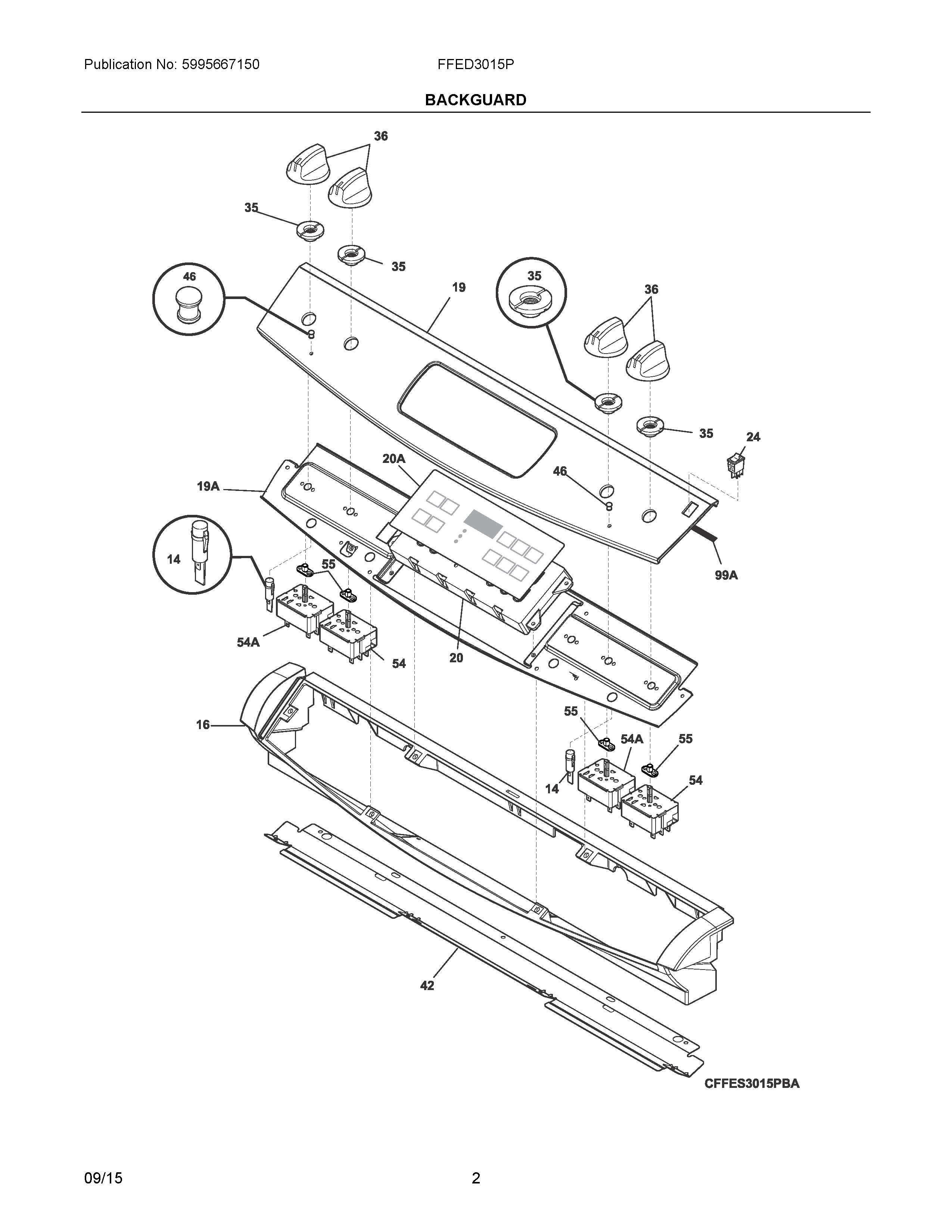
FFED3015PWC 02 – BACKGUARDadmin2025-04-26T10:50:41+00:00FFED3015PWC 02 – BACKGUARD ProductsPositionProductNI316021105 Frigidaire Oven ScrewNI5304517808 Frigidaire HarnessNI5304503593 Frigidaire HarnessNIWCI 5304447071NI316001017 Frigidaire ScrewNI316021109 Frigidaire Oven Screw14318044831 Frigidaire Oven Light16WCI 31829910019WCI 31823519219AWCI 31822440120A316419137 Frigidaire Oven Overlay20WCI 316557139245304527842 Frigidaire Rocker Switch35SUPPORT, GLASS, WHITE, (4)36WCI 31654380942WCI 31857470146WCI 31822830154A318293831 Frigidaire Range Surface Element Switch54318293830 Frigidaire Oven Switch55318402901 Frigidaire Oven Bushing99A318223900 Frigidaire Oven Gasket