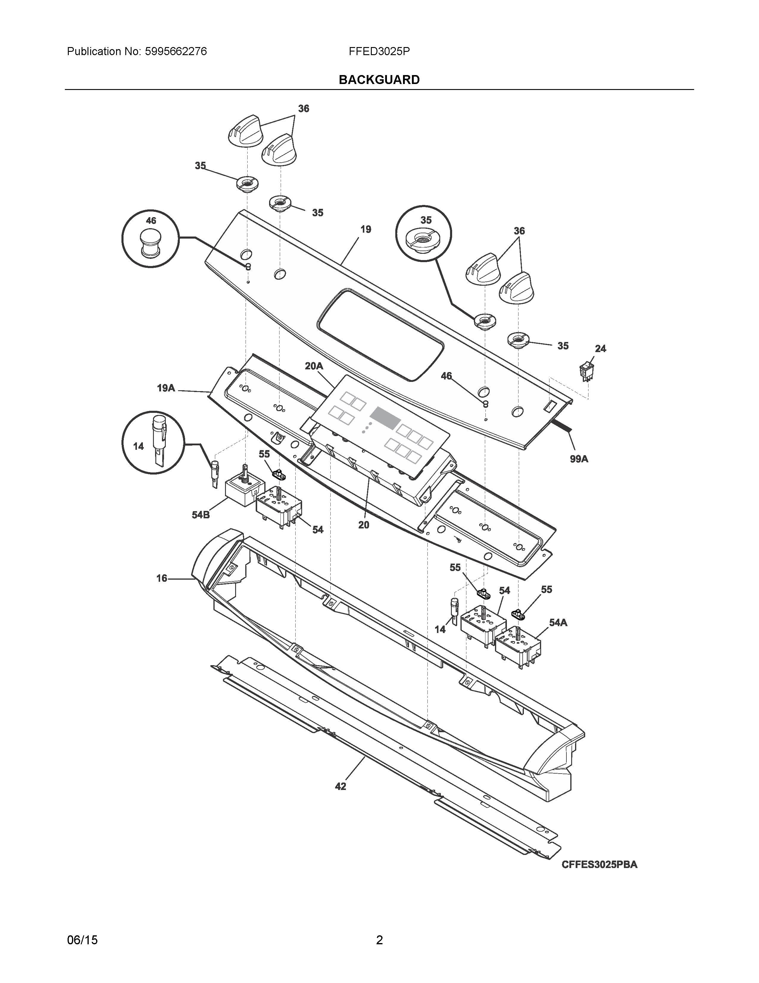
FFED3025PBB 02 – BACKGUARD