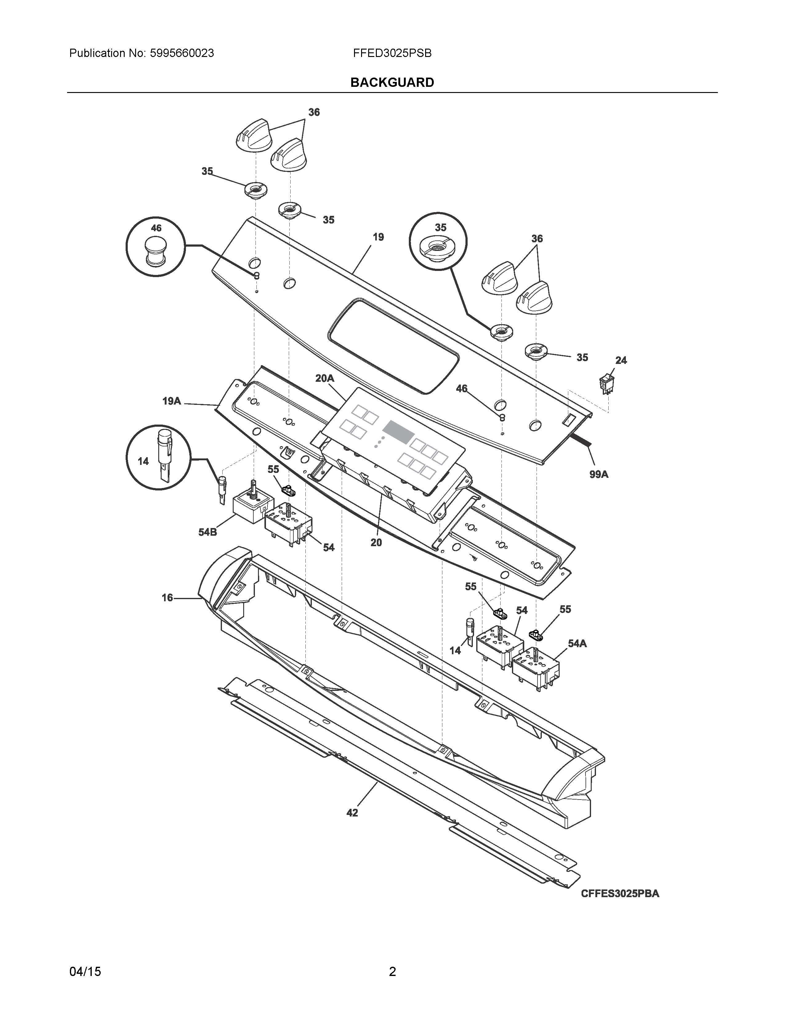
FFED3025PSB 02 – BACKGUARDadmin2025-04-26T10:50:10+00:00FFED3025PSB 02 – BACKGUARD ProductsPositionProductNI316021105 Frigidaire Oven ScrewNIWCI 808609301NI5304517808 Frigidaire HarnessNI316001017 Frigidaire ScrewNIB5303288565 Frigidaire ScrewNI316021109 Frigidaire Oven Screw14WCI 31829390116WCI 31829910219CONTROL PANEL ASSEMBLY, STEEL/GLASS, STAINLESS/BLACK19AWCI 31822440120WCI 31655713920A316419141 Frigidaire Oven Overlay245304527841 Frigidaire Oven Rocker Switch (Black)35WCI 31818310536316543810 Frigidaire Oven Knob42WCI 31857470146WCI 31822830154A318293831 Frigidaire Range Surface Element Switch54318293830 Frigidaire Oven Switch54BADUAL INFINITE SWITCH55318402901 Frigidaire Oven Bushing99A318223900 Frigidaire Oven Gasket