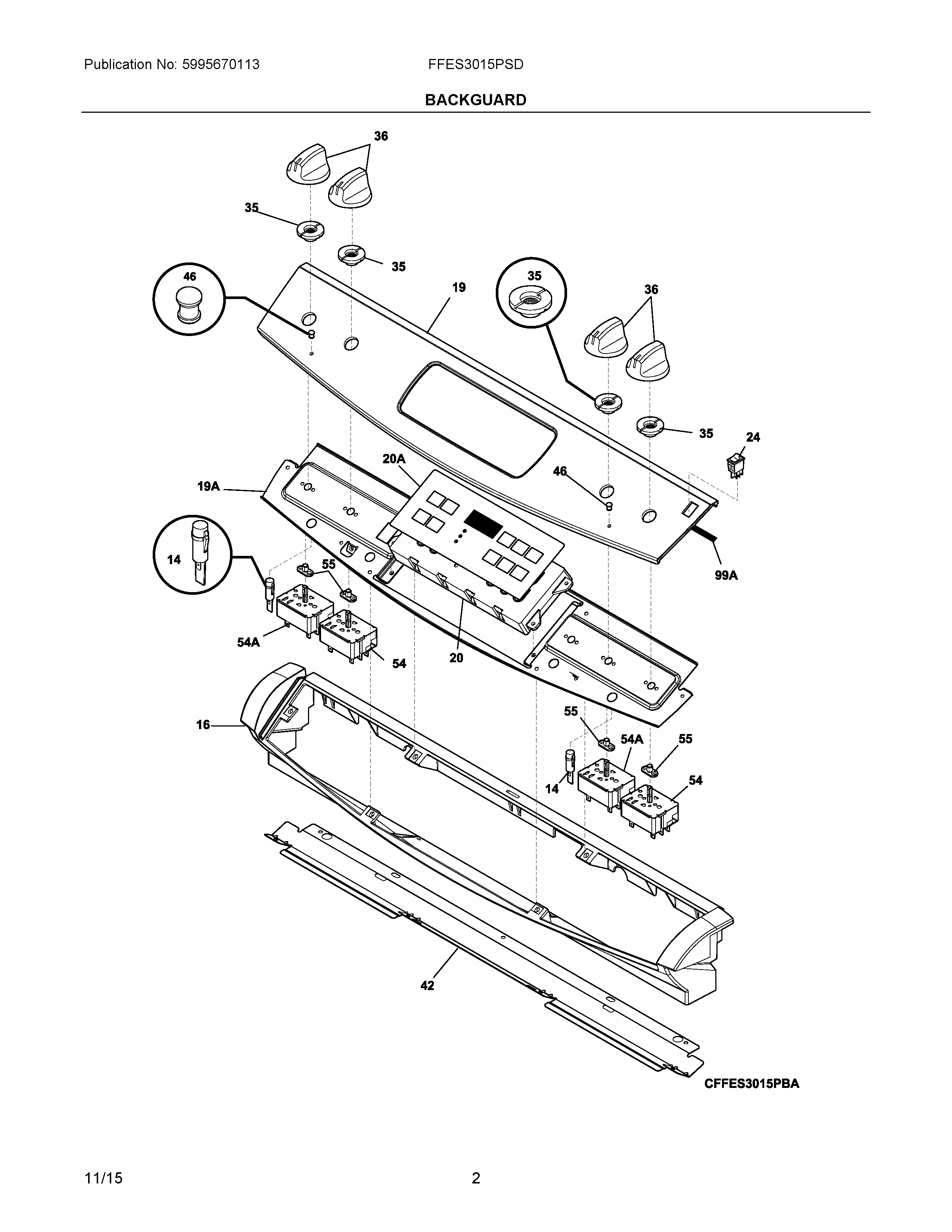
FFES3015PSD 02 – BACKGUARDadmin2025-04-26T10:08:02+00:00FFES3015PSD 02 – BACKGUARD ProductsPositionProductNI316021105 Frigidaire Oven ScrewNI5304503593 Frigidaire HarnessNI316021109 Frigidaire Oven ScrewNI316001017 Frigidaire ScrewNI5304517808 Frigidaire HarnessNIAWCI 530444707114318044831 Frigidaire Oven Light16WCI 31829910219CONTROL PANEL ASSEMBLY, STEEL/GLASS, STAINLESS/BLACK19AWCI 31822440120WCI 31655713920A316419141 Frigidaire Oven Overlay245304527841 Frigidaire Oven Rocker Switch (Black)35WCI 31818310536316543810 Frigidaire Oven Knob42WCI 31857470146WCI 31822830154A318293831 Frigidaire Range Surface Element Switch54318293830 Frigidaire Oven Switch55318402901 Frigidaire Oven Bushing99A318223900 Frigidaire Oven Gasket