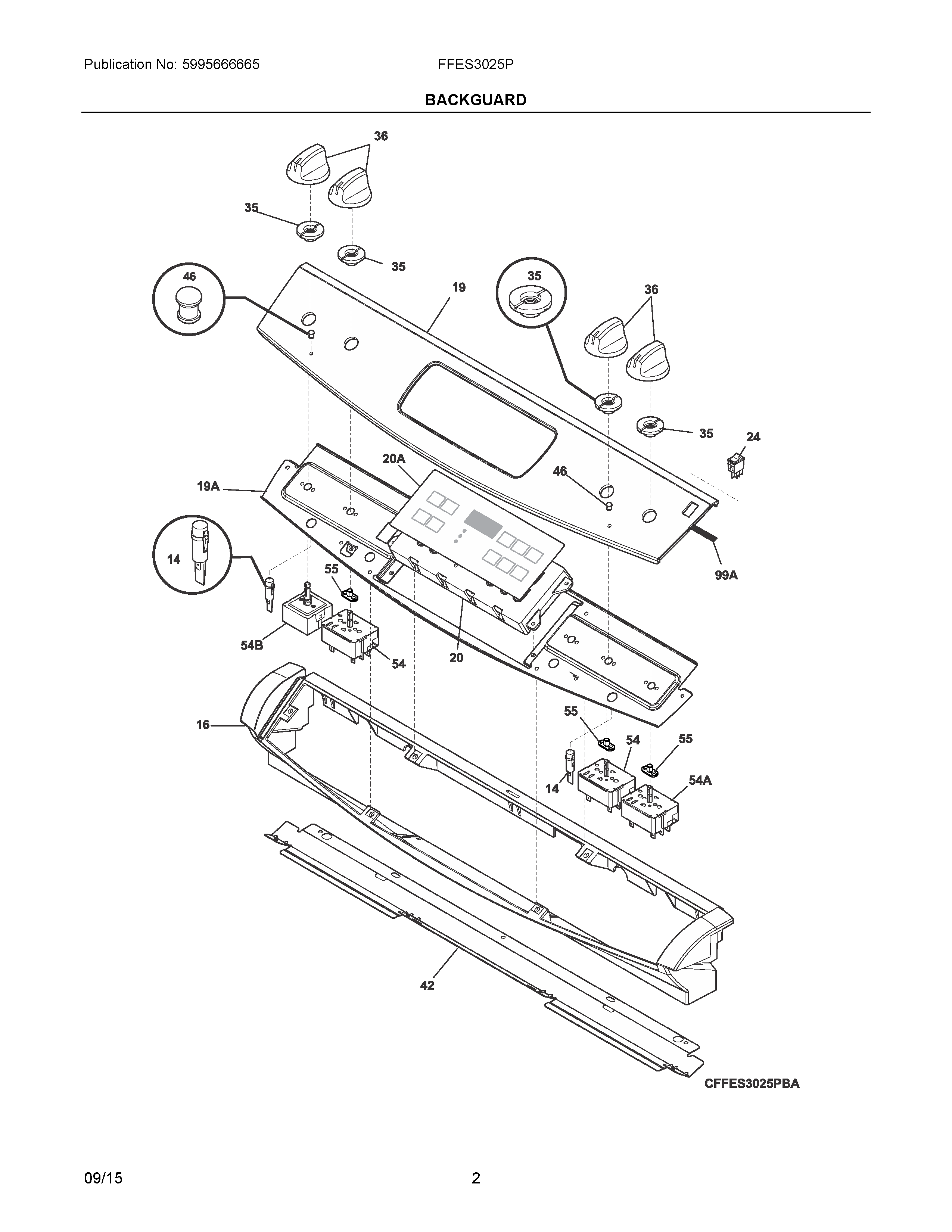
FFES3025PWD 02 – BACKGUARDadmin2025-04-26T10:08:55+00:00FFES3025PWD 02 – BACKGUARD ProductsPositionProductNI316021105 Frigidaire Oven ScrewNI5304517808 Frigidaire HarnessNIWCI 5304503335NI316001017 Frigidaire ScrewNIBA5303288565 Frigidaire ScrewNI316021109 Frigidaire Oven Screw14318044831 Frigidaire Oven Light16WCI 31829910019CONTROL PANEL ASSEMBLY, WHITE19AWCI 31822440120WCI 31655713920A316419137 Frigidaire Oven Overlay245304527842 Frigidaire Rocker Switch35SUPPORT, GLASS, WHITE, (4)36WCI 31654380942WCI 31857470146WCI 31822830154BDUAL INFINITE SWITCH54A318293831 Frigidaire Range Surface Element Switch54318293830 Frigidaire Oven Switch55318402901 Frigidaire Oven Bushing99A318223900 Frigidaire Oven Gasket