| NI | Foam seal,(3) |
| NI | WCI 5303325981 |
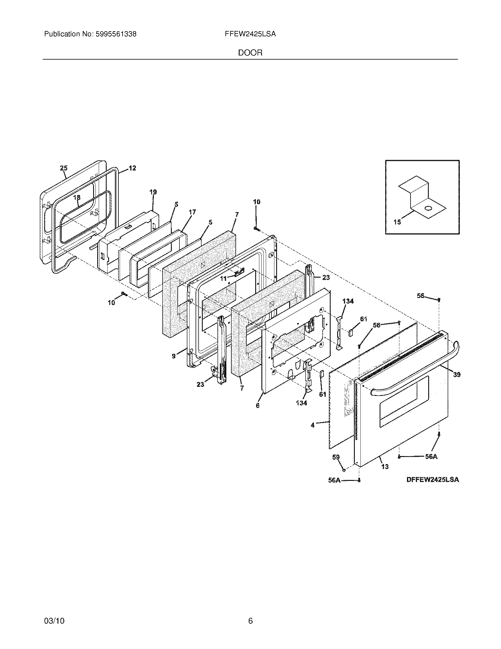
| NI | 5304461333 Frigidaire Oven Screw |
| NI | 5303211311 Frigidaire Refrigerator Screw |
| NI | 5304415832 Frigidaire Oven Screw |
| NI | 08002868 Frigidaire 0 Screw Assembly |
| NI | WCI 5304445498 |
| NI | 5303304015 Frigidaire Oven Washer |
| 4 | WCI 318051560 |
| 5 | WCI 5303324250 |
| 6 | WCI 318073600 |
| 7 | WCI 318285037 |
| 9 | WCI 318038600 |
| 10 | 5303310510 Frigidaire Oven Screw |
| 11 | WCI 318065102 |
| 12 | WCI 318178801 |
| 13 | WCI 318280016 |
| 15 | BRACKET-GLASS,(3) |
| 17 | SPACER-GLASS UPPER |
| 18 | WCI 318293510 |
| 19 | COLLAR GLASS MTG |
| 23 | WCI 318567110 |
| 25 | WCI 318048319 |
| 39 | 318362822 Frigidaire Handle Assembly |
| 56 | 5303323277 Frigidaire Oven Screw |
| 56A | 5303300265 Frigidaire Oven Screw |
| 59 | Plug,button |
| 61 | WCI 5303300414 |
| 134 | WCI 318122101 |