| NIA | 316021104 Frigidaire Oven Screw Assembly |
| NI | 316215600 Frigidaire Oven Screw |
| NI | 316021105 Frigidaire Oven Screw |
| NI | 5303271648 Frigidaire Oven Screw |
| NI | Screw,cup pt ,8-18 x 0.375 ,chrome |
| NI | 316243723 Frigidaire Lp Conversion Kit |
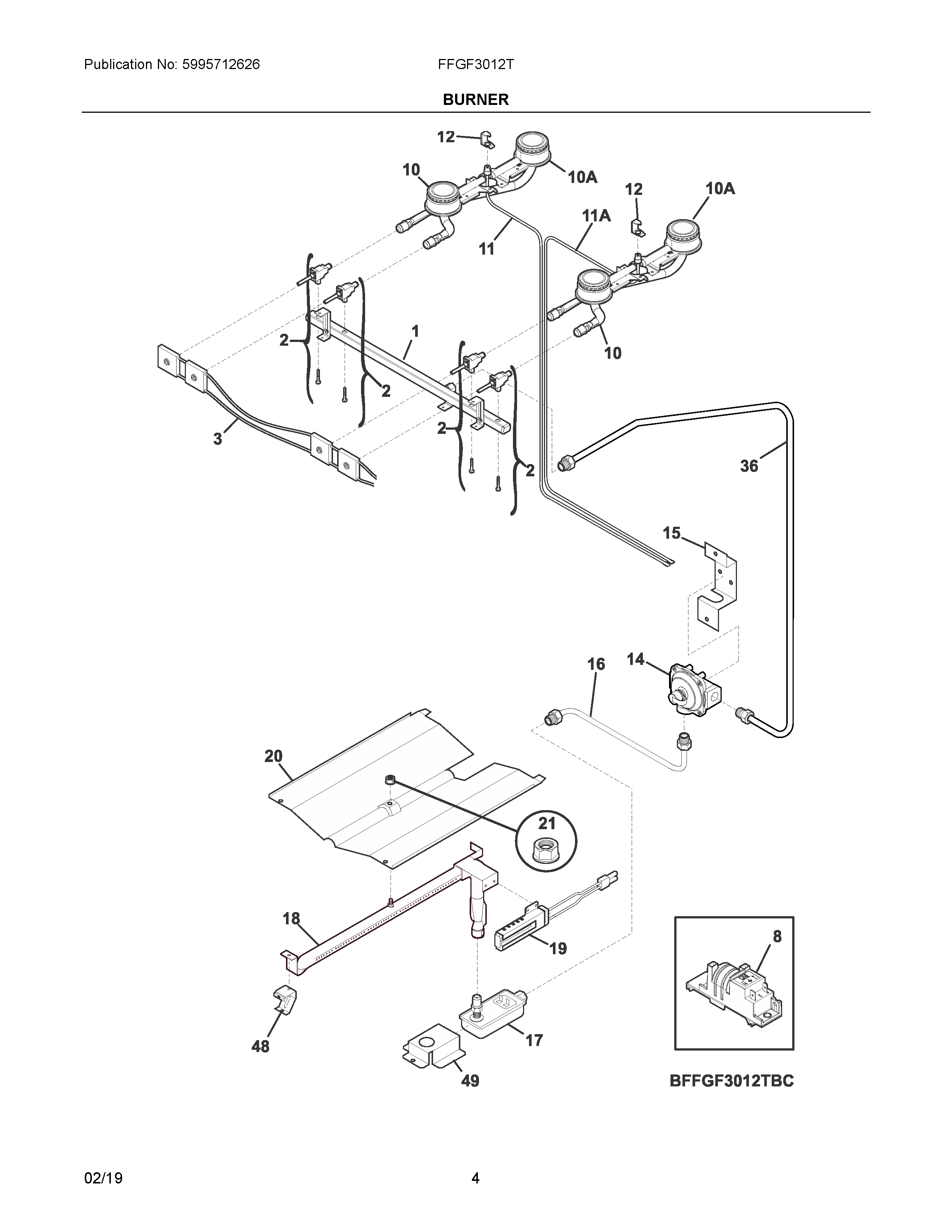
| 1 | WCI 5304506153 |
| 2 | 5304506148 Frigidaire Oven Valve |
| 3 | 5304506156 Frigidaire Oven Harness |
| 8 | 808608801 Frigidaire Oven Range Ignition/Spark Module |
| 10 | 5304506427 Frigidaire Oven Range Surface Burner (White) |
| 10A | 5304506426 Frigidaire Oven Top Rear Burner |
| 11 | 316081705 Frigidaire Igniter Assembly |
| 12 | 3016993 Frigidaire Oven Retainer |
| 14 | 5304521339 Frigidaire Regulator |
| 15 | 316091600 Frigidaire Oven Bracket |
| 16 | 316065006 Frigidaire Tube P1 |
| 17 | 3203459 Frigidaire Oven Range Dual Gas Safety Valve |
| 18 | 316114300 Frigidaire Oven Burner |
| 19 | 5304509706 Frigidaire Range Oven Igniter |
| 20 | WCI 316496001 |
| 21 | 5303013272 Frigidaire Oven Nut |
| 36 | 5304507888 Frigidaire Oven Tube |
| 48 | WCI 3018603 |
| 49 | WCI 316416300 |