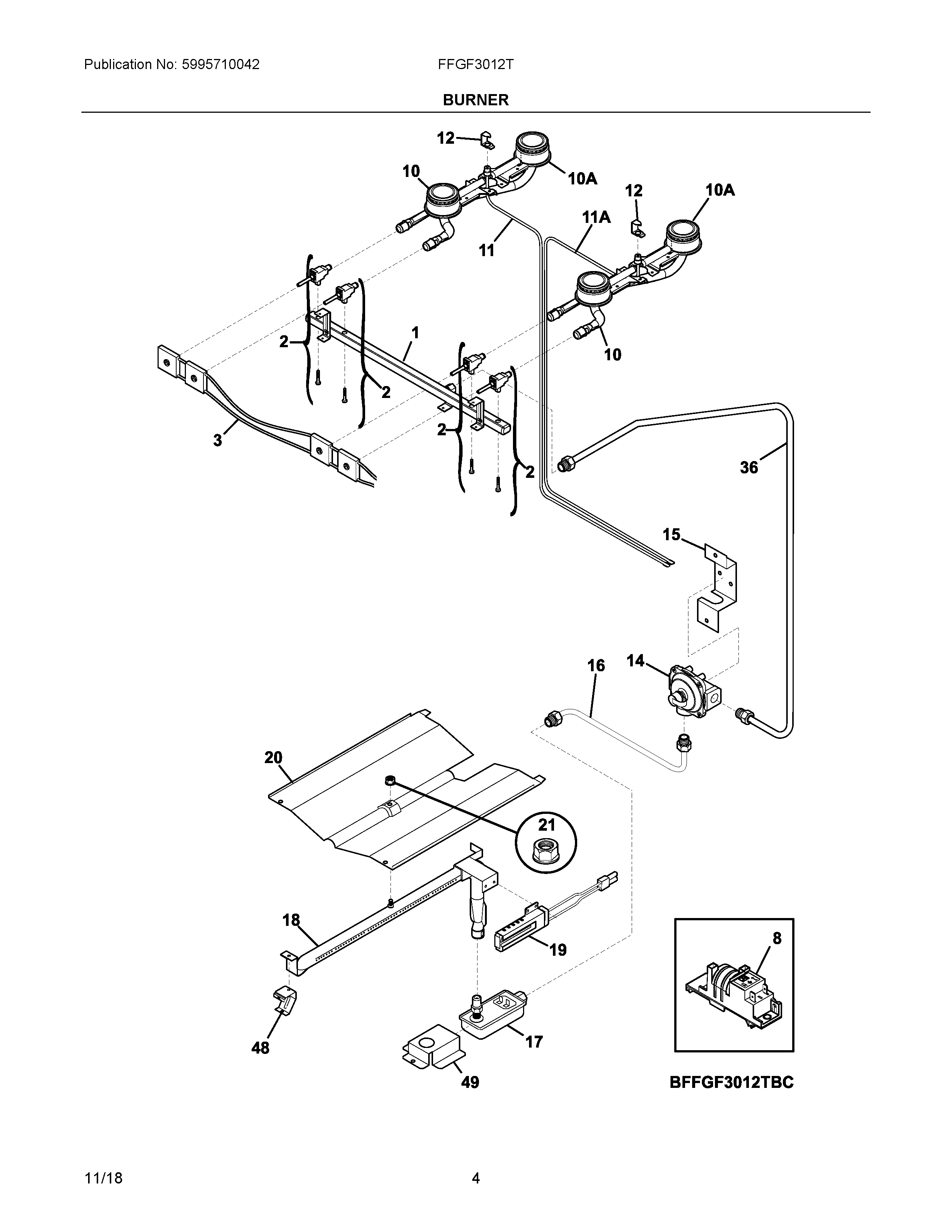
FFGF3012TWC 03 – BURNER