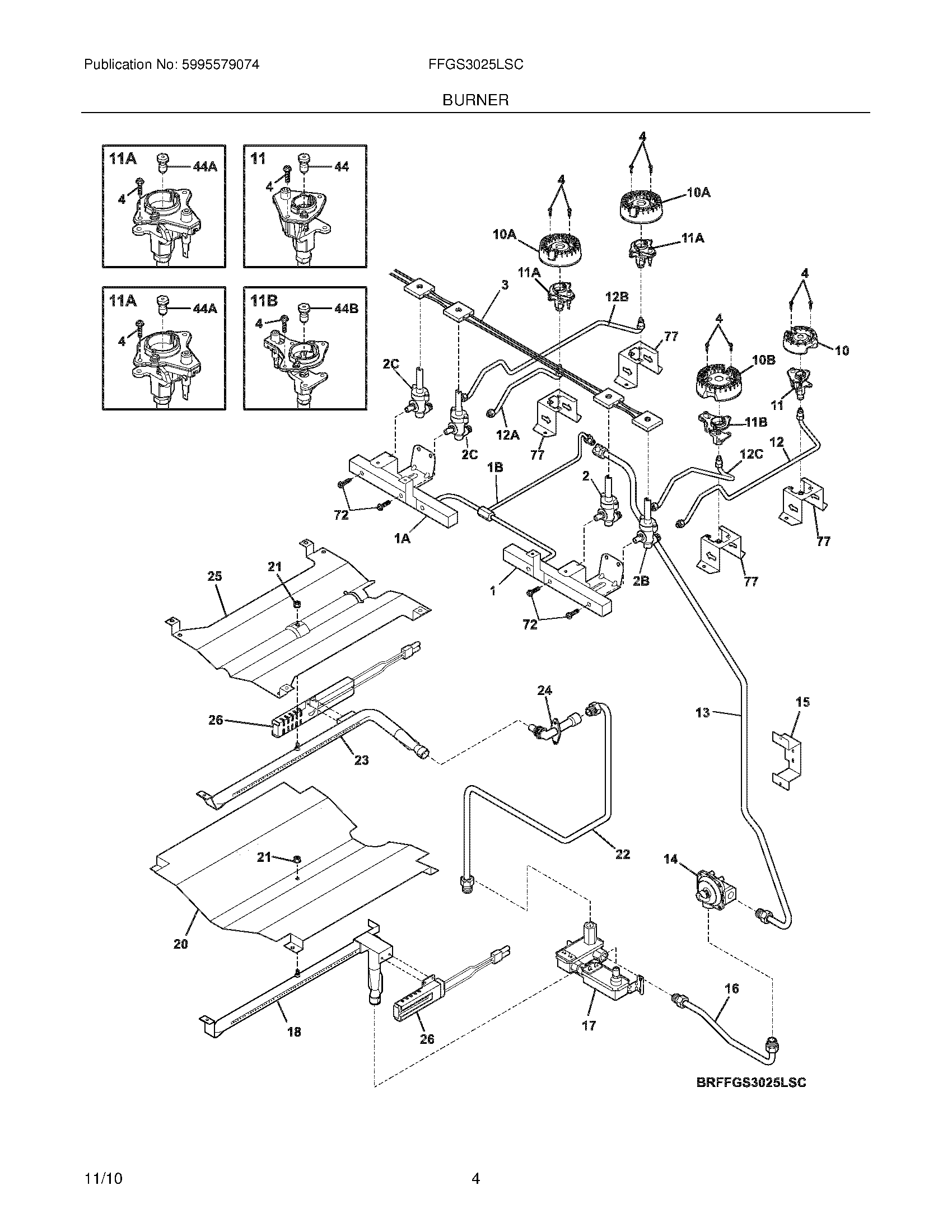
FFGS3025LSC 05 – BURNER