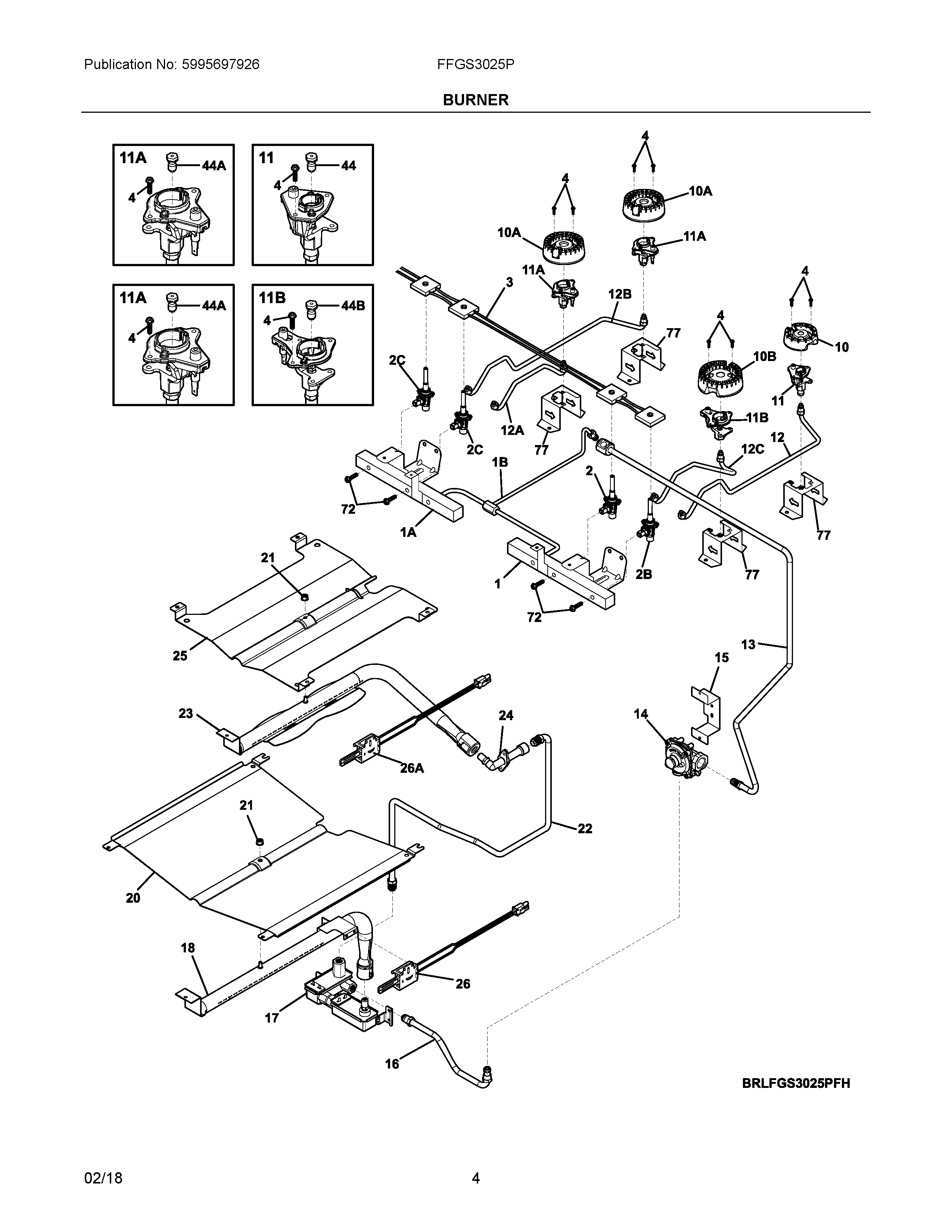
| NI | 316418901 Frigidaire Oven Screw |
| NI | 318565404 Frigidaire Conversion Kit |
| NI | 318199776 Frigidaire Electrical Harness |
| NI | 808041201 Frigidaire Oven Harness |
| NI | 316021109 Frigidaire Oven Screw |
| NI | 316260800 Frigidaire Screw-SHOULDER |
| NI | 316021105 Frigidaire Oven Screw |
| 1 | 318305600 Frigidaire Oven Manifold |
| 1B | 318305410 Frigidaire Oven Tube |
| 1A | WCI 318305601 |
| 2 | 5304507290 Frigidaire Oven Valve |
| 2C | 5304507285 Frigidaire Oven Valve |
| 2B | 5304507286 Frigidaire Valve |
| 3 | 5304509745 Frigidaire Switch Assembly |
| 4 | 316540900 Frigidaire Oven Screw |
| 10B | 316438600 Frigidaire Range Sealed Burner, 14K |
| 10 | 316438200 Frigidaire Range Sealed Burner, 5K |
| 10A | 316558300 Frigidaire Oven 9.5L Sealed Burner |
| 11 | 316540800 Frigidaire Igniter/Orifice Assembly |
| 11B | 316543206 Frigidaire Igniter Orifice Assembly |
| 11A | 316540700 Frigidaire Igniter/Orifice Assembly |
| 12B | WCI 318916601 |
| 12C | WCI 318916701 |
| 12A | 318916501 Frigidaire Tube |
| 12 | 318916801 Frigidaire Tube |
| 13 | 5304496152 Frigidaire Tube |
| 14 | 5304521339 Frigidaire Regulator |
| 15 | 318262810 Frigidaire Oven Bracket |
| 16 | WCI 318289500 |
| 17 | SAFETY VALVE |
| 18 | 5304502520 Frigidaire Oven Burner |
| 20 | 139005100 Frigidaire Oven Baffle |
| 21 | 5303013272 Frigidaire Oven Nut |
| 22 | 139009500 Frigidaire Tube |
| 23 | 139007101 Frigidaire Burner |
| 24 | WCI 316409703 |
| 25 | WCI 316401301 |
| 26A | 139013701 Frigidaire Igniter |
| 26 | 139013700 Frigidaire Igniter |
| 44B | 316527513 Frigidaire Oven Orifice |
| 44A | 316527500 Frigidaire Oven Burner Orifice |
| 44 | 316527504 Frigidaire Oven Orifice |
| 72 | 316215600 Frigidaire Oven Screw |
| 77 | WCI 318920300 |