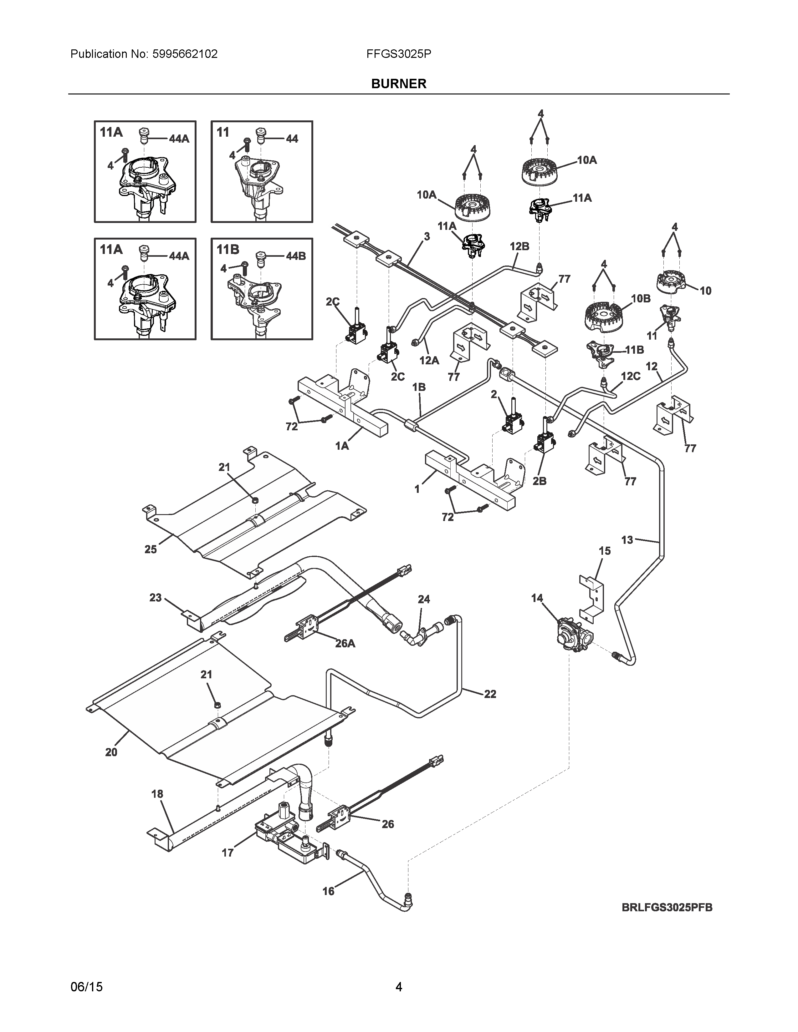
FFGS3025PWE 03 – BURNER