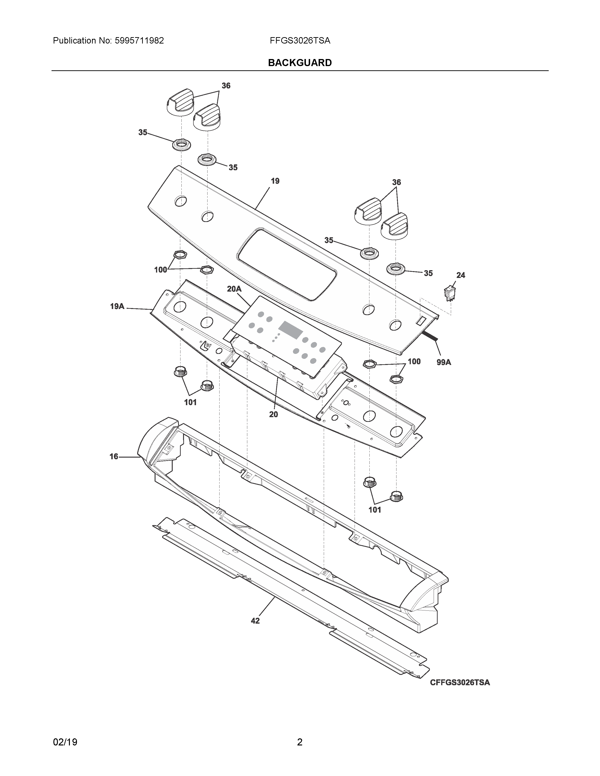
FFGS3026TSA 02 – BACKGUARDadmin2025-04-26T12:16:42+00:00FFGS3026TSA 02 – BACKGUARD ProductsPositionProductNI316021105 Frigidaire Oven ScrewNI316021109 Frigidaire Oven Screw16WCI 31829910219AWCI 31822440219CONTROL PANEL, ASSEMBLY, STAINLESS/BLACK20AOVERLAY205304511029 Frigidaire Controller Assembly245304527841 Frigidaire Oven Rocker Switch (Black)35WCI 318233720365304511053 Frigidaire Oven Knob42WCI 31857470199A318223900 Frigidaire Oven Gasket100WCI 318233800101WCI 318233400