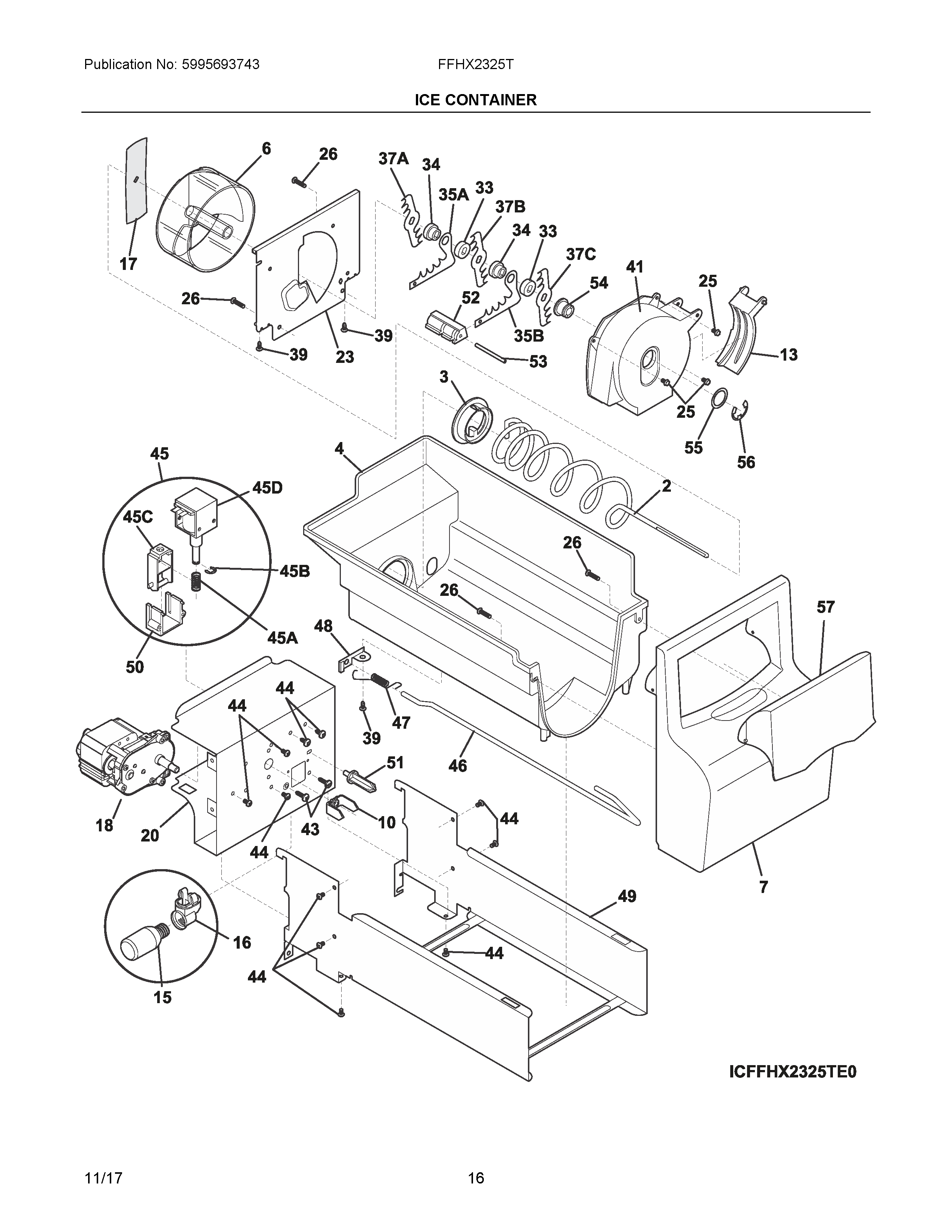
FFHX2325TM0 09 – ICE CONTAINERadmin2025-04-26T10:32:48+00:00FFHX2325TM0 09 – ICE CONTAINER ProductsPositionProductNI241860803 Frigidaire Refrigerator Ice Container Bucket AssemblyNI240507202 Frigidaire Refrigerator DeflectorNIA5304521765 Frigidaire Refrigerator Wiring Harness2241716101 Frigidaire Refrigerator Ice Auger3241685201 Frigidaire Refrigerator Drive Cam4241734001 Frigidaire Refrigerator Ice Bucket6241685101 Frigidaire Refrigerator Ice Dispenser Drum7241734201 Frigidaire Refrigerator Front Ice Container10241726501 Frigidaire Refrigerator Drive Bar13241885001 Frigidaire Refrigerator Ice Crusher Housing155304511738 Frigidaire Refrigerator Light Bulb16241559801 Frigidaire Light Socket Refrigerator17241684503 Frigidaire Ice Crusher Blade18242221501 Frigidaire Refrigerator Auger Motor20241734802 Frigidaire Refrigerator Cover23241684001 Frigidaire Refrigerator Plate-Front25240555002 Frigidaire Refrigerator Screw #8-32 X 3/826241690602 Frigidaire Refrigerator Screw33241684802 Frigidaire Refrigerator Spacer34241689802 Frigidaire Refrigerator Spacer35A241684303 Frigidaire Refrigerator Fixed Blade35B241684203 Frigidaire Refrigerator Fixed Blade37C241684109 Frigidaire Ice Crusher Blade37A241684107 Frigidaire Refrigerator Ice Crusher Blade37B241684108 Frigidaire Washer Poly V-Belt39241690501 Frigidaire Refrigerator Screw43215503203 Frigidaire Refrigerator Door Handle Screw44218359202 Frigidaire Refrigerator Screw45C241676101 Frigidaire Refrigerator Solenoid-Actuator45241675704 Frigidaire Refrigerator Solenoid Assembly45A241675902 Frigidaire Refrigerator Solenoid Spring45B241676001 Frigidaire Refrigerator E-Ring Solenoid45D241675803 Frigidaire Refrigerator Freezer Ice Dispenser Solenoid46241716002 Frigidaire Refrigerator Control Rod47241731801 Frigidaire Refrigerator Spring-Control Rod48241684602 Frigidaire Refrigerator Control Rod Bracket49241734401 Frigidaire Refrigerator Rail Assembly50241675601 Frigidaire Refrigerator Solenoid Guide51WCI 24167630152241684901 Frigidaire Refrigerator Spacer-Fixed Blades53241690402 Frigidaire Refrigerator Pin-Spiral54241685001 Frigidaire Auger Nut55241690306 Frigidaire Refrigerator Washer56241690201 Frigidaire Refrigerator E-Ring57241734101 Frigidaire Refrigerator Front Access Door Ice Bin